Wolfspeed YM Six-Pack Silicon Carbide Power Modules

Wolfspeed YM Six-Pack Silicon Carbide Power Modules are automotive-qualified modules that are designed for seamless design integration and durability. These modules streamline silicon carbide integration into commercial, construction, and agricultural vehicle traction systems with the industry-standard footprint and advanced packaging technology. The YM six-pack modules feature an optimized power terminal layout that reduces package inductance, enabling reduced overshoot voltage and ultra-low switching loss. Typical applications include automotive traction inverters, hybrid electric vehicles, motor drives, renewable energy, auxiliary power supplies, commercial, construction, and agricultural vehicles.

The YM Six-Pack Silicon Carbide Power Modules are available in various current ratings up to 1200V / 650A. These YM modules meet the AQG-324 automotive power module standard. The YM six-pack power modules' direct-cooled pin-fin baseplate enhances thermal performance, while press-fit pins simplify assembly.

Features

  • Fully SiC MOSFET-based for ultra-low loss
  • 1200V blocking voltage
  • 330A, 460A, or 600A nominal current options
  • 2.1mΩ, 2.8mΩ, or 4.3mΩ RDS(on) at +25°C
  • Comparative Tracking Index (CTI) >600V for material group I
  • 6.6nH extremely low power loop inductance
  • Direct-cooled pin fin baseplate
  • Industry-standard footprint
  • Press-fit connection for ease of assembly
  • Integrated NTC temperature sensors
  • High-performance Si3N4 insulator
  • Ultra-reliable interconnect technologies
  • AQG-324 qualification

Applications

  • Automotive traction inverters
  • Commercial, construction, and agricultural vehicles
  • Hybrid electric vehicles
  • E-mobility and motor drives
  • Auxiliary power supplies
  • Renewable energy

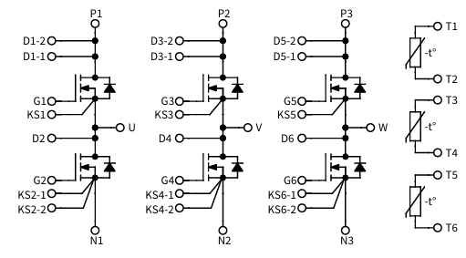
Schematic and Pin Out

Schematic - Wolfspeed YM Six-Pack Silicon Carbide Power Modules
Publicado: 2025-04-30 | Actualizado: 2026-03-10