Vishay R3T2FPHM3 Automotive Hybrid Rectifier & TVS
Vishay R3T2FPHM3 Automotive Hybrid Rectifier and TVS is a cutting-edge solution for automotive applications. The Vishay R3T2FPHM3 device combines a rectifier and TRANSZORB® TVS in a single, compact package. The oxide planar chip junction ensures high performance and reliability, and it meets MSL level 1, per J-STD-020, with a maximum peak of 260°C. The device is AEC-Q101 qualified, making it suitable for a wide range of automotive applications.Features
- Automotive hybrid solution for Rectifier and TRANSZORB TVS
- Oxide planar chip junction
- Meets MSL level 1, per J-STD-020, LF maximum peak of 260°C
- AEC-Q101 qualified available
- Material categorization, definitions of compliance
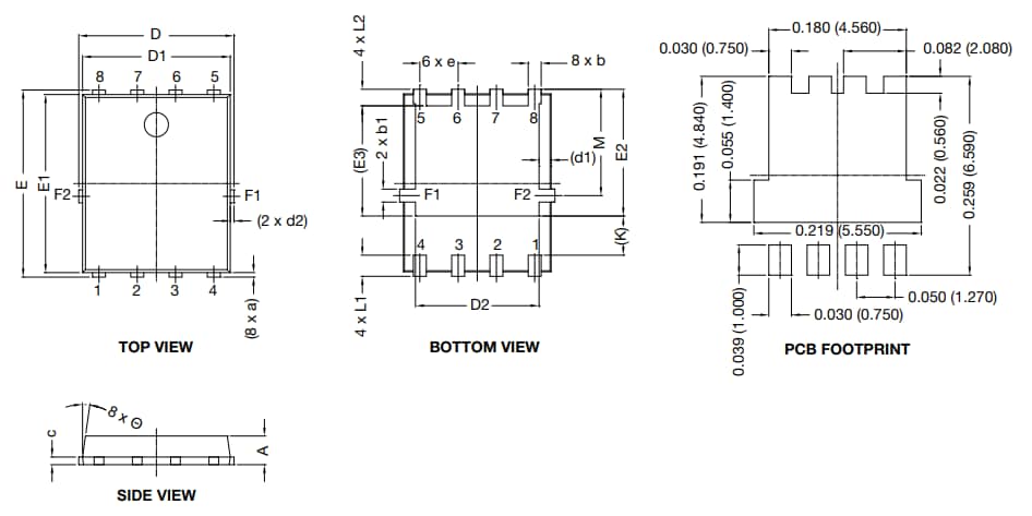
- FlatPAK 5x6 package
- Common cathode circuit configuration
- -55º to +175ºC operating junction temperature range
- Standard rectifier
- IF(AV) 3A
- VRRM 600V
- IFSM 40A
- VF at IF = 3A (TJ = 125°C) 0.86V
- Transient voltage suppressors
- VBR 27V
- VWM 23.1V
- PPPM 200W
Applications
- Secondary protection for sensor units
- Distributed airbag modules
- Low-power DC/DC converters under power distributor
Videos
Package Dimensions
Additional Resources
Publicado: 2023-01-19
| Actualizado: 2024-04-02
