Texas Instruments TPSI3100-Q1 Isolated Switch Driver

Texas Instruments TPSI3100-Q1 Isolated Switch Driver is an integrated isolated device, which, when combined with an external power switch, forms a wholly isolated solid-state relay solution. With a gate drive voltage of 15.8V and 1.5/2.5A peak source/sink current, many power switches can be used to meet many application needs. This driver provides additional power via the nominal 5V rail (VDDM) for auxiliary circuits to perform functions, including current and voltage monitoring or remote temperature detection. The TPSI3100-Q1 driver is AEC-Q100 qualified for automotive applications.

The TPSI3100-Q1 driver features higher reliability, lower power consumption, and increased temperature ranges than those found using traditional mechanical relays and optocouplers. This driver is used in applications such as onboard chargers, solid-state relays, building automation, and battery management systems.

Features

  • Drives external power transistors
  • No isolated secondary supply is required
  • 15.8V gate drive, 1.5A/2.5A peak source and sink current
  • 5kVRMS reinforced isolation
  • Up to 25mW, 5V supply for external auxiliary circuitry
  • Dual isolated high-speed comparators with integrated voltage reference ±1.5%
  • Open-drain outputs for fault and alarm indicators
  • AEC Q-100 qualified for automotive applications
    • Temperature grade 1 (–40°C to +125°C, TA)
  • Functional safety-capable
    • Documentation available to aid functional safety system design
  • Safety-related certifications
    • Planned: 7070VPK reinforced isolation per DIN EN IEC 60747-17 (VDE 0884-17)
    • Planned: 5kVRMS isolation for 1 minute per UL 1577

Applications

  • Solid state relays
  • Battery management system
  • Onboard charger
  • Hybrid, electric, and power train systems
  • Building automation
  • Factory automation and control

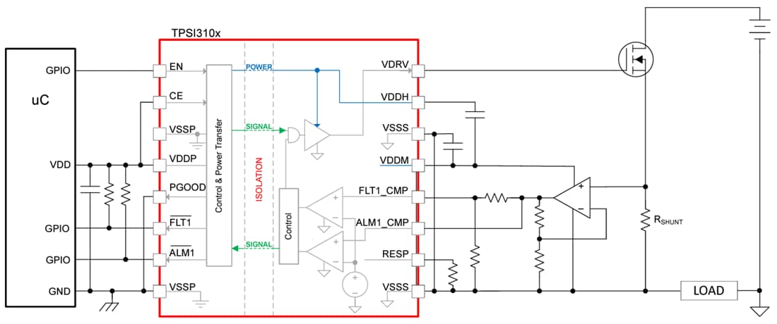
Simplified Schematic

Schematic - Texas Instruments TPSI3100-Q1 Isolated Switch Driver
Publicado: 2024-02-09 | Actualizado: 2025-11-14