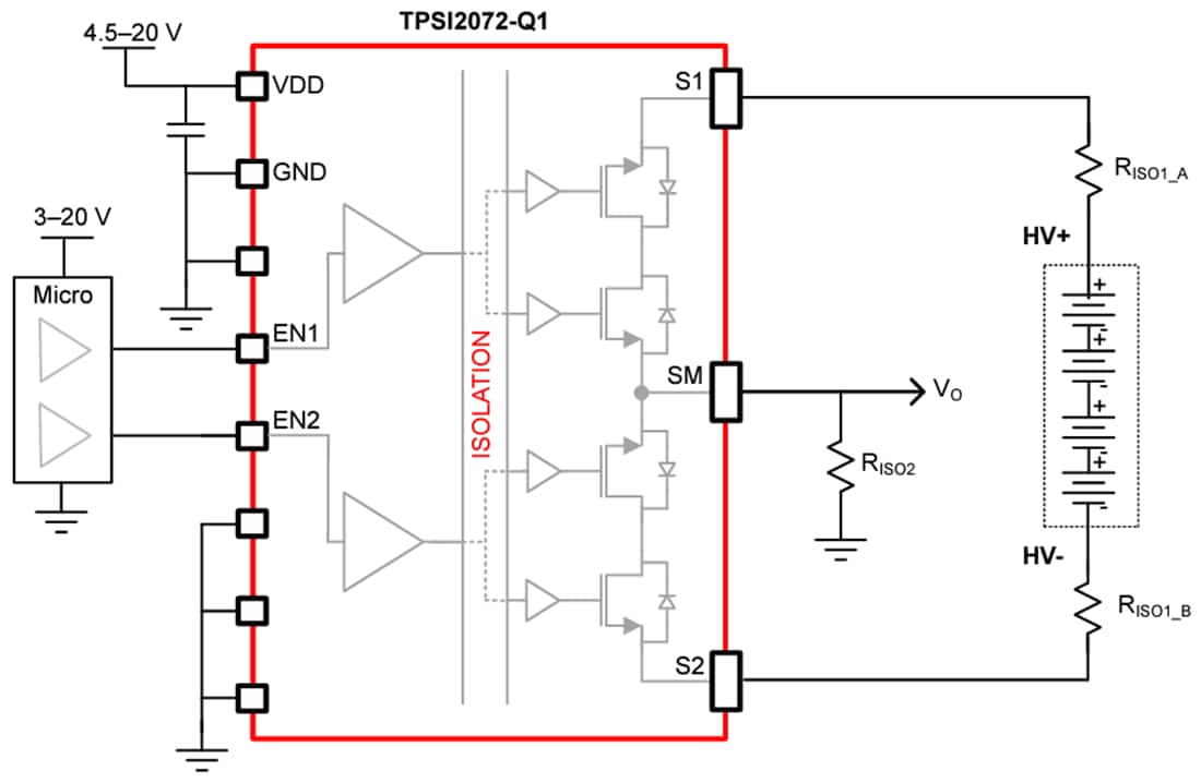
Texas Instruments TPSI2072-Q1 2-Channel Isolated Solid State Relay
Texas Instruments TPSI2072-Q1 2-Channel Isolated Solid State Relay (SSR) is designed for high-voltage automotive and industrial applications. The TPSI2072-Q1 uses TI’s high-reliability capacitive isolation technology in combination with internal back-to-back MOSFETs to form a completely integrated solution requiring no secondary side power supply. The TPSI2072-Q1 improves system reliability as TI’s capacitive isolation technology does not suffer from mechanical wear-out or photodegradation failure modes common in mechanical relay and photo relay components.The primary side of the device is powered by only 9mA of input current and incorporates fail-safe EN1 and EN2 pins, preventing any possibility of backpowering the VDD supply. In most applications, the VDD pin of the device should be connected to a system supply between 4.5V and 20V, and the EN1 and EN2 pins of the device should be driven by a GPIO output with logic HI between 2.1V and 20V. The VDD, EN1, and EN2 pins could be driven together directly from the system supply or a GPIO output in other applications.
Each channel on the secondary side consists of back-to-back MOSFETs with a standoff voltage of +/-600V from SM to S1 and SM to S2. The TPSI2072-Q1 MOSFET’s avalanche robustness and thermally conscious package design allow it to robustly support system-level dielectric withstand testing (HiPot) and DC fast charger surge currents of up to 2mA without requiring external components.
Features
- Qualified for automotive applications
- AEC-Q100 grade 1 (–40 to 125°C TA)
- Integrated avalanche-rated MOSFETs
- Designed and qualified for reliability for dielectric withstand testing (Hi-Pot)
- IAVA = 2mA for 5s pulses, 1mA for 60s pulses
- VHIPOT, 5s = 4300V with Rseries > 1.83MΩ
- VHIPOT, 5s = 2850V with Rseries > 1.1MΩ
- 600V standoff voltage
- RON = 65Ω (TJ = 25°C)
- IOFF = 1µA at 500V (TJ = 105°C)
- Designed and qualified for reliability for dielectric withstand testing (Hi-Pot)
- Low primary side supply current
- 5mA single channel, 9mA two channel ON state current
- Functional safety capable
- Documentation available to aid in ISO 26262 and IEC 61508 system design
- Robust isolation barrier
- > 26 year projected lifetime at 1000VRMS/1500VDC working voltage
- Isolation rating, VISO, up to 3750VRMS/5300VDC
- SOIC 11-pin (DWQ) package with wide pins for improved thermal performance
- Creepage and clearance ≥ 8mm (primary-secondary)
- Creepage and clearance ≥ 3mm (across switch terminals)
- Safety-related certifications
- (Planned) DIN VDE V 0884-11:2017-01
- (Planned) UL 1577 component recognition program
Applications
- Solid state relay
- Hybrid, electric, and power train systems
- Battery Management Systems (BMS)
- Energy Storage Systems (ESS)
- Solar energy
- Onboard charger
- EV charging infrastructure
Additional Resources
Videos
Simplified Application Schematic
