Texas Instruments TPS624xx-Q1 Step-Down Converters

Texas Instruments TPS624xx-Q1 Step-Down Converters are synchronous dual step-down DC-DC converters for Automotive applications such as Advanced Driver Assistance Systems (ADAS). These devices provide two independent output voltage rails powered by a standard 3.3V or 5V voltage rail, with fixed output voltages optimized for powering the CMOS imager or serializer-deserializer in ADAS camera modules. The EasyScale™ serial interface allows output-voltages modification during operation. The fixed-output-voltage versions support one-pin-controlled simple dynamic voltage scaling for low-power processors.

The Texas Instruments TPS624xx-Q1 converters operate at 2.25MHz fixed switching frequency and enter the power-save mode operation at light load currents to maintain high efficiency over the entire load current range. One can force the devices into fixed-frequency PWM mode for low-noise applications by pulling the MODE/DATA pin high. The shutdown mode reduces the current consumption to 1.2µA, typical. The devices allow the use of small inductors and capacitors to achieve a small solution size.

Features

  • Qualified for automotive applications
  • AEC-Q100 qualified with the following results
    • Device Temperature Grade 1 (–40°C to 125°C operating junction temperature range)
    • Device HBM ESD Classification Level 2
    • Device CDM ESD Classification Level C4B
  • High efficiency—up to 95%
  • VIN range from 2.5V to 6V
  • 2.25MHz fixed-frequency operation
  • Output current TPS62406-Q1 1000mA/400mA
  • Output current TPS62407-Q1 400mA/600mA
  • Fixed output voltages
  • EasyScale™ optional one-pin serial interface
  • Power-save mode at light load currents
  • 180° out-of-phase operation
  • Output-voltage accuracy in PWM Mode ±1%
  • Typical 32µA quiescent current for both converters
  • 100% duty cycle for the lowest dropout

Applications

  • Automotive point of load regulator
  • ADAS camera modules
  • Mirror replacement (CMS)
  • Infotainment and cluster

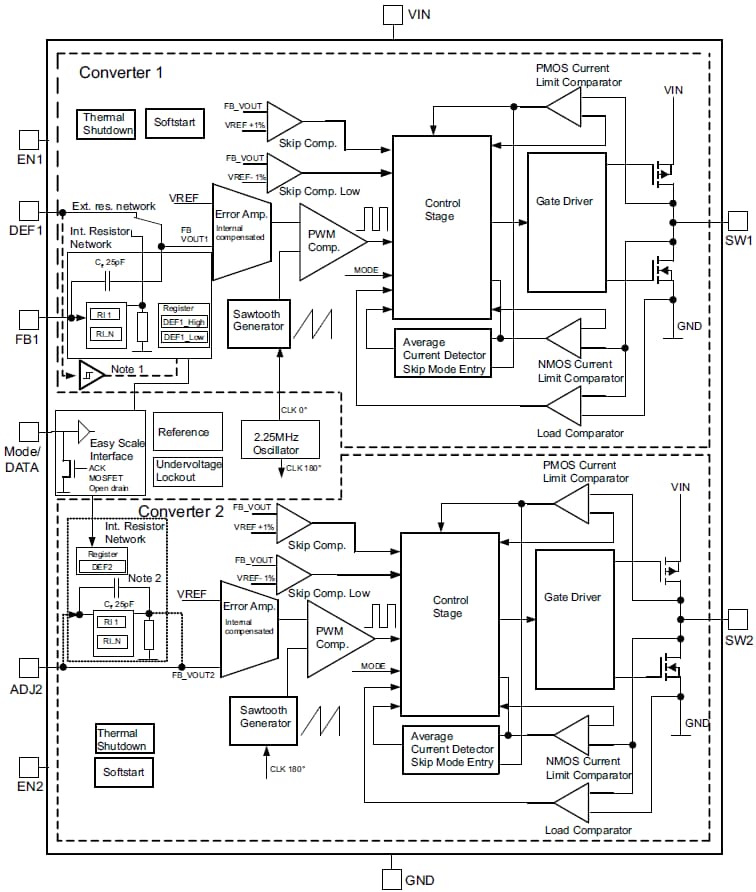
Functional Block Diagram

Block Diagram - Texas Instruments TPS624xx-Q1 Step-Down Converters
Publicado: 2018-06-15 | Actualizado: 2023-02-22