Texas Instruments TPS560430/TPS560430-Q1 Buck Regulator

Texas Instruments TPS560430/TPS560430-Q1 SIMPLE SWITCHER® Buck Regulator is an easy-to-use synchronous step-down DC-DC converter capable of driving up to 600mA load current. With a wide input range of 4V to 36V, the device is suitable for various industrial and automotive applications for power conditioning from an unregulated source.

The TPS560430/TPS560430-Q1 has 1.1MHz and 2.1MHz operating frequency versions for either high efficiency or small solution size. The TPS560430/TPS560430-Q1 also has FPWM (forced PWM) version to achieve constant frequency and small output voltage ripple over the entire load range. Soft-start and compensation circuits are implemented internally, which allows the device to be used with minimum external components. The Texas Instruments TPS560430-Q1 devices are AEC-Q100 qualified for automotive applications.

Features

  • Configured for rugged industrial applications
    • 4V to 36V input voltage range 
    • 600mA continuous output current
    • 60ns minimum switching-on time 
    • 98% maximum duty cycle
    • Support startup with pre-biased output
    • Short circuit protection with hiccup node
    • ±1.5% tolerance voltage reference over temperature from –40°C to 125°C
  • Precision enable
    • Small solution size and ease of use
    • Integrated synchronous rectification
    • Internal compensation for ease of use
    • SOT-23-6 package
  • Various options in pin-to-pin compatible package
    • 1.1MHz and 2.1MHz frequency options
    • PFM and Forced PWM (FPWM) options
    • Fixed 3.3V output option

Applications

  • Grid infrastructure (advanced metering infrastructure)
  • Motor drive (AC inverters, VF drives, servos, field actuators)
  • Factory and building automation (PLC, industrial PC, elevator control, HVAC control
  • Aftermarket automotive (camera)
  • General-purpose-wide VIN power supplies

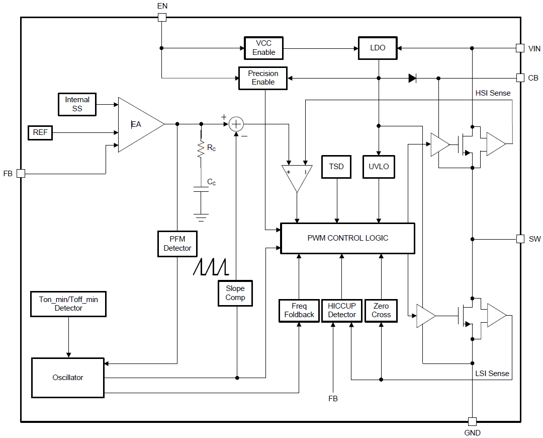
Functional Block Diagram

Block Diagram - Texas Instruments TPS560430/TPS560430-Q1 Buck Regulator
Publicado: 2018-06-06 | Actualizado: 2024-11-05