Texas Instruments TPS2586x-Q1 USB Type-A Charging Ports Controllers

Texas Instruments TPS2586x-Q1 Dual USB Type-A Charging Ports Controllers are an integrated USB charging port solution. The TI TPS2586x-Q1 includes a synchronous DC/DC converter capable of supplying up to 6.6A. Additionally, the TPS2586x-Q1 features an integrated detection and control for implementing USB Battery Charging 1.2 and Type-A ports.

Features

  • AEC-Q100 qualified for automotive applications
    • TA Range –40°C to +125°C temperature grade 1
    • HBM ESD classification level H2
    • CDM ESD classification level C5
  • Synchronous buck regulator
    • 95.2% at VIN = 13.5V, IPA_BUS = 2.4A and IPB_BUS = 2.4A high efficiency at 400kHz
    • 18mΩ/10mΩ low RDS(ON) buck regulator MOSFETs
    • 5.5V to 26V, withstand 36V input operating voltage range
    • 200kHz to 800kHz adjustable frequency
    • FPWM with spread-spectrum dithering
    • 5.1V, 5.17V, 5.3V, 5.4V selectable output voltage
  • Internal power path
    • 7mΩ/7mΩ low RDS(ON) internal USB power MOSFETs
    • ±10% at 2.73A current limit for USB ports with high accuracy
    • 5.1V, 200mA supply for auxiliary loads OUT
  • 90mV at 2.4A load line drop compensation
  • Compliant to USB-IF standards
    • Automatic DCP modes
      • Shorted mode per BC1.2 and YD/T 1591 2009
      • 1.2V mode
      • 2.7V divider 3 mode
  • Load shedding versus programmable TA
  • –40°C to +150°C device TJ range

Applications

  • Automotive USB charging ports
  • Automotive USB media hubs

Simplified Schematic

Schematic - Texas Instruments TPS2586x-Q1 USB Type-A Charging Ports Controllers

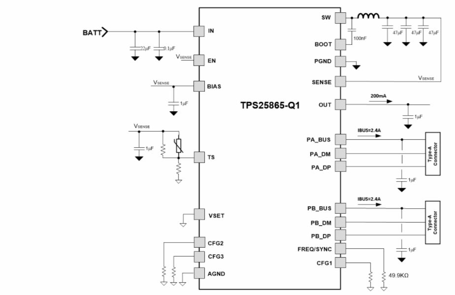
Typical Application Circuit

Application Circuit Diagram - Texas Instruments TPS2586x-Q1 USB Type-A Charging Ports Controllers
Publicado: 2020-12-30 | Actualizado: 2025-03-10