Texas Instruments TPS22975 Load Switches
Texas Instruments TPS22975 Load Switches are single-channel load switch that provides a configurable rise time to minimize inrush current. Each device contains an N-channel MOSFET that can operate over an input voltage range of 0.6V to 5.7V and support a maximum continuous current of 6A. Each switch is controlled by an on and off input (ON), which is capable of interfacing directly with low-voltage control signals. TPS22975 has an optional 230Ω on-chip load resistor for quick output discharge when the switch is turned off. The Texas Instruments TPS22975 is available in a small, space-saving 2mm × 2mm 8-pin SON package with an integrated thermal pad allowing high power dissipation.Features
- Integrated single-channel load switch
- 0.6V to VBIAS input voltage range
- 2.5V to 5.7V VBIAS voltage range
- On-Resistance (RON)
- RON = 16mΩ (typical) at VIN = 0.6V to 5.7V, VBIAS = 5.7V
- 6A maximum continuous switch current
- Low quiescent current
- 37µA (typical) at VIN = VBIAS = 5V
- Low-control input threshold enables the use of 1.2V, 1.8V, 2.5V, and 3.3V logic
- Configurable rise time
- Thermal shutdown
- Quick-Output Discharge (QOD) (optional)
- SON 8-pin package with thermal pad
- ESD performance tested per JESD 22
- 2000V HBM and 1000V CDM
Applications
- Ultrabook™
- Notebooks and netbooks
- Tablet PC
- Consumer electronics
- Set-top boxes and residential gateways
- Telecom systems
- Solid State Drives (SSDs)
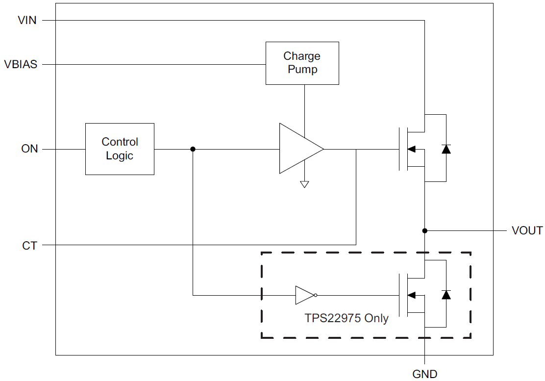
Functional Block Diagram
Publicado: 2017-03-02
| Actualizado: 2022-04-05
