Texas Instruments TPA3136AD2 10W Stereo Class-D Audio Amplifiers

Texas Instruments TPA3136AD2 10W Stereo Class-D Audio Amplifiers provide efficiency for driving bridged-tied stereo speakers at up to 10W, 6Ω, or 8Ω per channel. The use of inexpensive ferrite bead filters at the outputs is enabled by the advanced EMI Suppression Technology with Spread Spectrum Control scheme, all while meeting EMC requirements for system cost reduction. SpeakerGuard™ speaker protection circuitry includes a power limiter and a DC detection circuit for the protection of the connected speakers. The device is fully protected against shorts and overload, the DC detect and Pin-to-Pin, Pin-to-Ground, and Pin-to-Power Short Circuit protection circuit protect the speakers from output DC and pin shorts caused in production. The device outputs are also fully protected against shorts to GND, PVCC, and output-to-output. The auto-recovery feature includes short-circuiting protection and thermal protection.

Features

  • 2×10W/ch into 6Ω Loads at 10% THD+N from a 12V supply
  • 2×10W/ch into 8Ω Loads at 10% THD+N from a 13V supply
  • Up to 90%, efficient class-D operation (8Ω) eliminates the need for heat sinks
  • <0.05% THD+N at 1W/4 Ω/1kHz
  • Wide supply voltage range allows operation from 4.5V (8.0V for TPA3136AD2) to 14.4V
  • Inductor-free operation
  • Enhanced EMI performance with spread spectrum
  • SpeakerGuard™ speaker protection includes a power limiter and DC protection
  • Robust pin-to-pin, pin-to-ground, and pin-to-power short circuit protection and thermal protection
  • 26dB Fixed gain
  • Single-ended or differential analog inputs
  • Click and pop free startup

Applications

  • Televisions
  • Bluetooth/wireless speakers
  • Mini speakers
  • USB Speakers
  • Consumer audio equipment

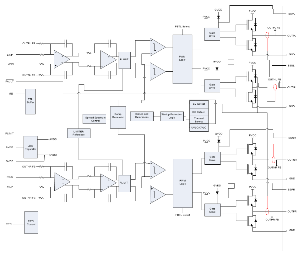
Block Diagram

Block Diagram - Texas Instruments TPA3136AD2 10W Stereo Class-D Audio Amplifiers
Publicado: 2017-11-03 | Actualizado: 2022-07-11