Texas Instruments TMDS261B Two-Port HDMI Switch

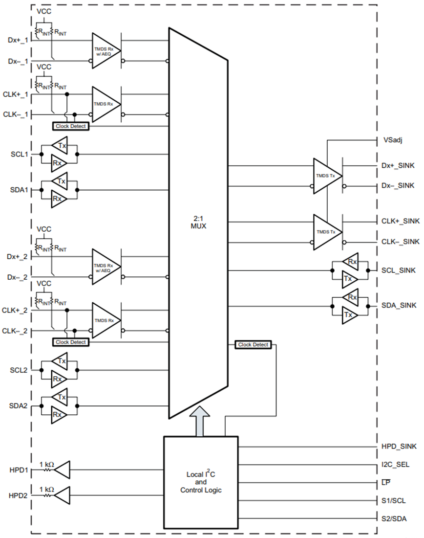
Texas Instruments TMDS261B two-port HDMI or DVI switch for High-Definition Digital TV allows up to two DVI or HDMI ports to be switched to a single display terminal. Four TMDS channels, one hot-plug detector, and a digital display control interface are supported on each port. Each TMDS channel supports signaling rates up to 3 Gbps to allow 1080p resolution in 16-bit color depth. The TI TMDS261B two-port HDMI switch provides an adaptive equalizer for different ranges of cable lengths. The equalizer automatically compensates for ISI loss of an HDMI / DVI cable for up to 20 dB at 3 Gbps. The Texas Instruments TMDS261B is not intended for source-side applications such as external switch boxes.

Features

  • 2:1 Sink-side switch Supporting DVI Above 1920 × 1200 and HDM I HDTV Resolutions up to 1080p With 16-Bit Color Depth
  • Designed for Signaling Rates up to 3Gbps
  • Supports HDMI 1.3a Specification
  • Adaptive Equalization on inputs to support up to 20m HDMI Cable at 2.25Gbps for 1080p 12-Bit Color Depth
  • TMDS Input Clock-Detect Circuit
  • DDC Repeater Function
  • Local I2C or GPIO Configurable
  • Enhanced ESD (HBM - 10kV on All Input TMDS, DDC I2C, HPD Pins)
  • 3.3 Volt Power Supply
  • 0°C to 70°C Temperature Range 
  • 64-Pin TQFP Package: Pin-Compatible With TMDS251
  • Robust TMDS Receive Stage That Can Work With Non-Compliant Input
  • Common-Mode HDMI Signal

Applications

  • High-Definition Digital TV
    • LCD
    • Plasma
    • DLP

Functional Block Diagram

Block Diagram - Texas Instruments TMDS261B Two-Port HDMI Switch
Publicado: 2010-01-18 | Actualizado: 2022-03-11