Texas Instruments SN74HCT595/SN74HCT595-Q1 8-Bit Shift Register
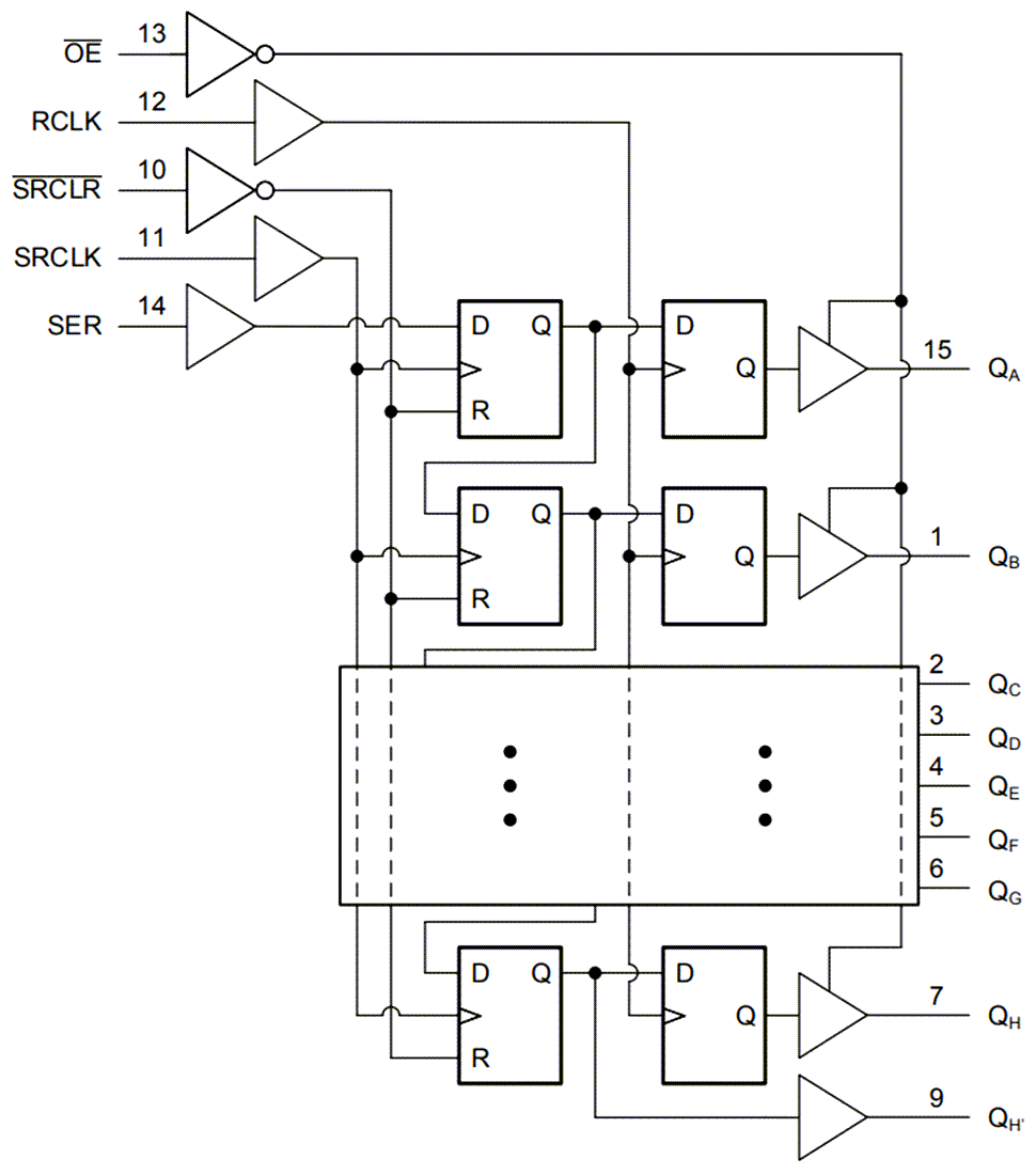
Texas Instruments SN74HCT595/SN74HCT595-Q1 8-Bit Shift Register contains an 8-bit, serial-in, parallel-out shift register that feeds an 8-bit D-type storage register. The storage register has parallel 3-state outputs. Separate clocks are provided for both the shift and storage register. The shift register has a direct overriding clear (SRCLR) input, serial (SER) input, and a serial output (QH’) for cascading. When the output-enable (OE) input is high, the storage register outputs are in a high-impedance state. Internal register data and serial output (QH’) are not impacted by the operation of the OE input. The Texas Instruments SN74HCT595-Q1 devices are AEC-Q100 qualified for automotive applications.Features
- LSTTL input logic compatible
- VIL(max) = 0.8V, VIH(min) = 2V
- CMOS input logic compatible
- II ≤ 1µA at VOL, VOH
- 4.5V to 5.5V operation
- Supports fanout up to 10 LSTTL loads
- The shift register has direct clear
- –40°C to +125°C, TA extended ambient temperature range
Applications
- Output expansion
- LED matrix control
- 7-segment display control
- 8-bit data storage
Datasheets
Functional Block Diagram
Publicado: 2022-03-16
| Actualizado: 2022-04-04
