Texas Instruments SN74ACT2G101/Q1 Dual Configurable Data Flip-Flops
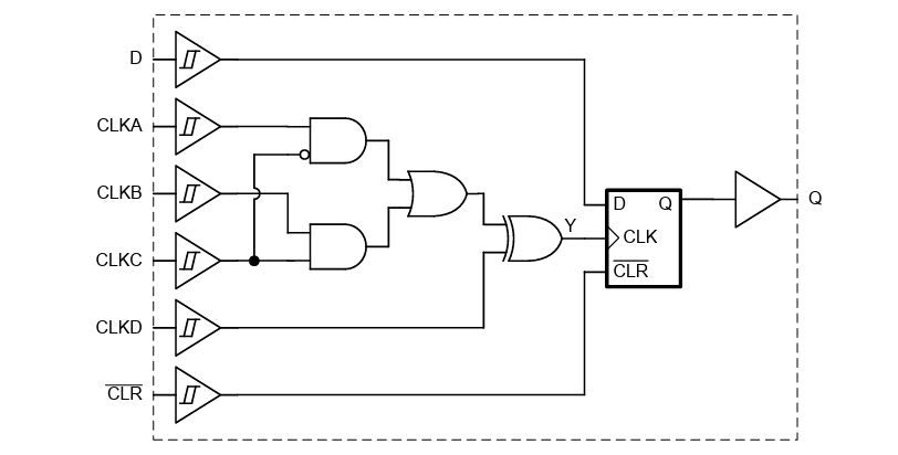
Texas Instruments SN74ACT2G101/Q1 Dual Configurable Data Flip-Flops feature a rising-edge-triggered configurable logic clock, active-low clear, and data inputs. The clock inputs can be configured for several 1- and 2-input logic functions, including buffer, inverter, AND, OR, NAND, NOR, XOR, and XNOR. All inputs use a Schmitt trigger architecture to support slow or noisy input signals.
The TI SN74ACT2G101-Q1 Flip-Flops are AEC-Q100 qualified for automotive applications.
Features
- AEC-Q100 qualified for automotive applications:
- Device temperature grade 1: -40° to +125°C
- Device HBM ESD classification level 2
- Device CDM ESD classification level C4B
- Available in a wettable flank QFN package
- Operating voltage range of 4.5V to 5.5V
- TTL-compatible Schmitt-trigger inputs support slow and noisy input signals
- Continuous ±24mA output drive at 5V
- Supports up to ±75mA output drive at 5V in short bursts
- Drives 50Q transmission lines
- Fast operation with a delay of 10.5ns max
Applications
- Hold a signal during controller reset
- Input slow edge-rate signals
- Operate in noisy environments
Datasheets
Logic Diagram (Positive Logic)
Publicado: 2026-01-09
| Actualizado: 2026-01-21
