Texas Instruments LMR544xx SIMPLE SWITCHER® Power Converter
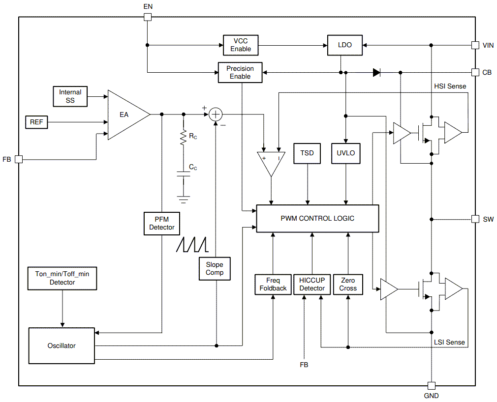
Texas Instruments LMR544xx SIMPLE SWITCHER® Power Converter is a wide-VIN, easy-to-use synchronous buck converter capable of driving up to 1A and 0.6A load current. With a wide input range of 4 V to 36 V, the device is suitable for a wide range of industrial applications for power conditioning from an unregulated source.The Texas Instruments LMR544xx operates at a 1.1MHz switching frequency to support the use of relatively small inductors for an optimized solution size. It has a PFM version to realize high efficiency at light load and an FPWM version to achieve constant frequency and small output voltage ripple over the full load range. Soft-start and compensation circuits are implemented internally, which allow the device to be used with minimal external components.
The device has built-in protection features, such as cycle-by-cycle current limit, hiccup mode short-circuit protection, and thermal shutdown in case of excessive power dissipation.
Features
- Functional Safety-Capable
- Documentation available to aid functional safety system design
- Configured for rugged industrial applications
- 4V to 36V input voltage range
- Withstands up to 50V short VIN transient
- 0.6A/1A continuous output current
- 60ns minimum switching on time
- 1.1MHz fixed switching frequency
- –40°C to 150°C junction temperature range
- 98% maximum duty cycle
- Monotonic start-up with pre-biased output
- Short circuit protection with hiccup mode
- Precision enable
- ±1% tolerance voltage reference
- Small solution size and ease of use
- Integrated synchronous rectification
- Internal compensation for ease of use
- SOT-23 package
- Pin-to-pin compatible with the LMR14010A, LMR50410, and TPS560430
- Various options in a pin-to-pin compatible package
- PFM and forced PWM (FPWM) options
Applications
- Major appliances
- PLC, DCS, and PAC
- Smart meters
- General-purpose wide VIN power supplies
Functional Block Diagram
Publicado: 2022-03-11
| Actualizado: 2022-09-12
