Texas Instruments LMK00804B-Q1 Automotive LVCMOS Fanout Buffers

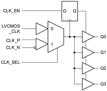
Texas Instruments LMK00804B-Q1 Automotive LVCMOS Fanout Buffers and Level Translators can distribute up to four LVCMOS/LVTTL outputs (3.3V, 2.5V, 1.8V, or 1.5V levels) from one of two selectable inputs that can accept differential or single-ended inputs. The clock enable input is synchronized internally to eliminate runt or glitch pulses on the outputs when the clock enable terminal is asserted or de-asserted. Texas Instruments LMK00804B-Q1 fanout buffers feature outputs held in a logic low state when the clock is disabled. The LMK00804B-Q1 also allows the distribution of a low-jitter clock across four transceivers and can improve the overall target detection and resolution in a cascaded mmWave radar system.

Features

  • AEC-Q100 qualified with the following results
    • Device temperature grade 1 (-40°C to +125°C, TA)
  • Four LVCMOS/LVTTL outputs supporting 1.5V to 3.3V levels
    • Additive jitter: 0.1ps RMS (typical) at 40MHz
    • Noise floor: -168dBc/Hz (typical) at 40MHz
    • Output frequency: 350MHz (maximum)
    • Output skew: 35ps (maximum)
    • Part-to-part skew: 550ps (maximum)
  • Two selectable inputs
    • CLK_P, CLK_N pair accepts LVPECL, LVDS, HCSL, SSTL, LVHSTL, or LVCMOS/LVTTL
    • LVCMOS_CLK accepts LVCMOS/LVTTL
  • Synchronous clock enable
  • Core/output power supplies
    • 3.3V/3.3V
    • 3.3V/2.5V
    • 3.3V/1.8V
    • 3.3V/1.5V
  • 16-pin VQFN package

Applications

  • Advanced Driver Assistance Systems (ADAS)
  • Forward-facing long-range radar
  • Medium/short-range radar
  • Ultra short-range radar

Block Diagram

Block Diagram - Texas Instruments LMK00804B-Q1 Automotive LVCMOS Fanout Buffers
Publicado: 2019-10-14 | Actualizado: 2025-03-05