Texas Instruments LM5148/LM5148-Q1 Buck DC/DC Controller
Texas Instruments LM5148/LM5148-Q1 Synchronous Buck DC/DC Controller is an 80V, ultra-low IQ controller for single-output, high-current applications. The controller uses a peak current-mode control architecture for a fast transient response, easy loop compensation, and excellent load and line regulation. The LM5148 can be set up in ideal-phase mode (paralleled output) with accurate current sharing for high-current applications. It can operate at input voltages as low as 3.5V, at nearly 100% duty cycle if needed.Additional features of the LM5148/LM5148-Q1 include 150°C maximum junction temperature operation, user-selectable diode emulation for lower current consumption at light-load conditions, open-drain power-good flag for fault reporting and output monitoring, precision enable input, monotonic start-up into a pre-biased load, integrated VCC bias supply regulator, internal 3-ms soft-start time, and thermal shutdown protection with automatic recovery. The LM5148/LM5148-Q1 controller comes in a 3.5-mm × 5.5-mm thermally enhanced, 24-pin VQFN package. The Texas Instruments LM5148-Q1 devices are AEC-Q100 qualified for automotive applications.
Features
- Functional Safety-Capable
- Documentation available to aid functional safety system design
- Versatile synchronous buck DC/DC controller
- Wide input voltage range of 3.5V to 80V
- 1% accurate, fixed 3.3V, 5V, 12V, or adjustable output from 0.8V to 55V
- 150°C maximum junction temperature
- Lossless DCR or shunt current sensing
- Shutdown mode current of 2.3µA
- No-load sleep current of 9.5µA
- An internal soft-start ramp of 3ms
- Stackable up to two phases
- Internal bootstrap diode
- Integrated EMI mitigation
- Selectable dual random spread spectrum (DRSS) feature for enhanced EMI performance across low and high-frequency bands
- Optimized for CISPR 32 Class B requirements
- Switching frequency from 100kHz to 2.2MHz
- SYNC in and SYNC out capability
- Selectable PFM or FPWM modes
- Inherent protection features for robust design
- Internal hiccup mode overcurrent protection
- ENABLE and PGOOD functions
- VCC, VDDA, and gate-drive UVLO protection
- Internal or external loop compensation
- Thermal shutdown protection with hysteresis
Applications
- Building automation
- Industrial transport
- Power delivery
- Test and measurement
- Aerospace and defense
Datasheets
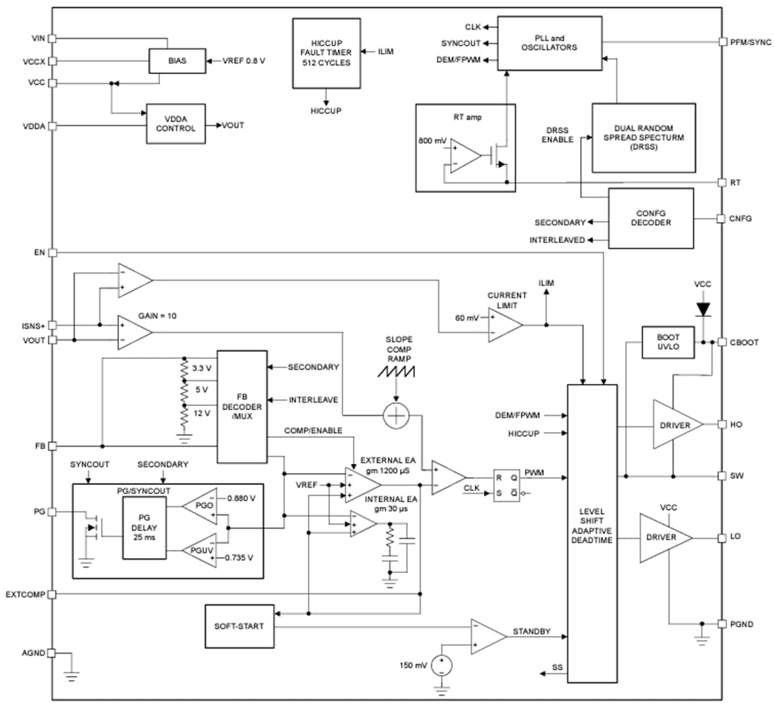
Functional Block Diagram
Publicado: 2023-03-14
| Actualizado: 2023-04-19
