Texas Instruments INA826S Instrumentation Amplifiers

Texas Instruments INA826S Instrumentation Amplifiers are low-cost amplifiers that offer extremely low-power consumption along with shutdown and operate over a very wide single or dual-supply range. A single external resistor sets any gain from 1 to 1000. The device offers excellent stability over temperature, even at G > 1, due to the low gain drift of only 35ppm/°C (maximum).

These INA826S amplifiers are optimized to provide an excellent common-mode rejection ratio of over 100dB (G = 10) over frequencies up to 5kHz. At G = 1, the common-mode rejection ratio exceeds 84dB across the entire input common-mode range from the negative supply up to 1V of the positive supply. The Texas Instruments INA826S amplifiers are well-suited for low voltage operation from a 3V single supply and dual supplies up to ±18V using a rail-to-rail output.

Features

  • Input common-mode range: Includes V–
  • Common-mode rejection:
    • 104dB (min, G = 10)
    • 100dB (min at 5kHz, G = 10)
  • 100dB (minmum, G = 1) power-supply rejection 
  • Low offset voltage: 150µV (maximum)
  • Gain drift: 1ppm/°C (G = 1), 35ppm/°C (G > 1)
  • Noise: 18nV/√Hz, G ≥ 100
  • Bandwidth: 1MHz (G = 1), 60kHz (G = 100)
  • Inputs protected up to ±40V
  • Rail-to-rail output
  • 200µA supply current
  • 2µA shutdown current
  • Supply range:
    • Single supply range 3V to 36V
    • Dual supply range ±1.5V to ±18V
  • -40°C to 125°C temperature range
  • Packages 3mm x 3mm VSON

Applications

  • Industrial process controls
  • Circuit breakers
  • Battery testers
  • ECG amplifiers
  • Power automation
  • Medical instrumentation
  • Portable instrumentation

Videos

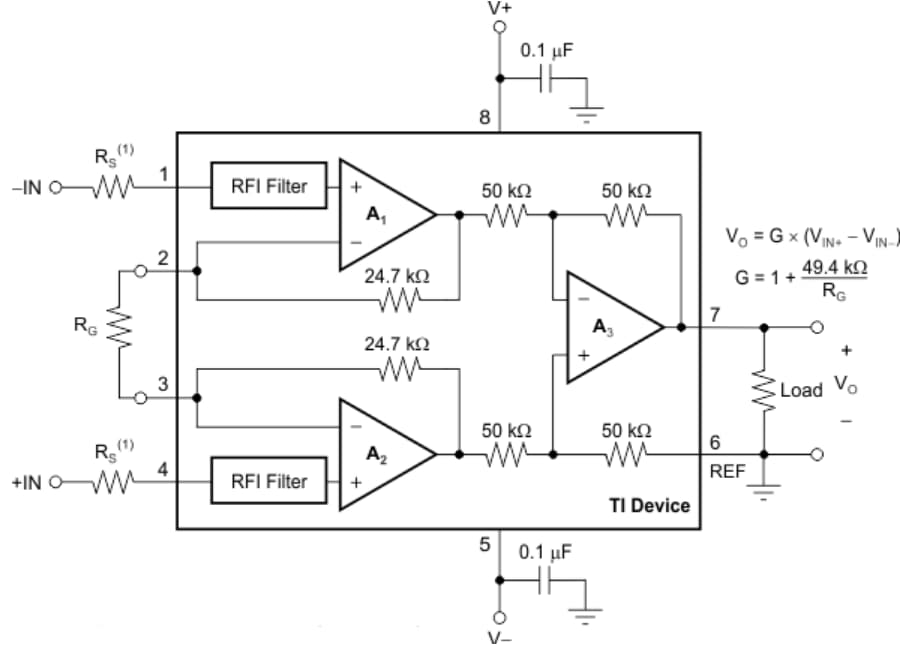
Simplified Internal Schematic

Schematic - Texas Instruments INA826S Instrumentation Amplifiers
Publicado: 2017-08-04 | Actualizado: 2024-05-29