Texas Instruments HDC3120EVM Evaluation Module (EVM)
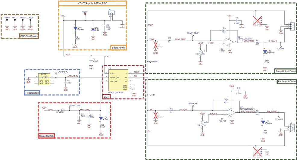
Texas Instruments HDC3120EVM Evaluation Module (EVM) is designed to demonstrate the performance of the HDC3120 analog humidity and temperature sensor. This module provides system-level evaluation and integration flexibility that allows users to test the behavior of the sensor under various temperature, humidity, and power supply conditions. The HDC3120EVM module features two onboard TLV9030 comparators, which provide analog alert outputs when the HDC3120's temperature or humidity analog output exceeds a user-defined threshold. Typical applications include Electronic Power Steering (EPS), Battery Management Systems (BMS), HVAC, inverters, data centers, telecom power systems, home appliances, and energy infrastructures.Features
- Straightforward application to verify the temperature and humidity functionality of HDC3120
- Included TLV9030 comparators enable switch-like function for further evaluation of the sensor in the end equipment design process
- A wide range of connection and test points for the convenience of the user
Applications
- Major appliances:
- Dishwashers
- Washers and dryers
- Refrigerator and freezers
- Energy infrastructure:
- Battery energy storage systems
- Remote power distribution automations
- Data centers
- Telecom power systems
- Automotive:
- Electronic Power Steering (EPS)
- Battery Management System (BMS)
- HVAC
- Inverters
Board Overview
Schematic Diagram
Publicado: 2025-06-30
| Actualizado: 2025-07-17
