Texas Instruments CSD88584Q5DC 40V Half-Bridge NexFET Power Block
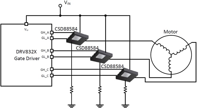
Texas Instruments CSD88584Q5DC 40V Half-Bridge NexFET Power Block is an optimized design for high-current motor control applications. These applications include handheld, cordless garden, and power tools. This device utilizes TI’s patented stacked die technology to minimize parasitic inductances while offering a complete half-bridge. The device also comes in a space-saving thermally enhanced DualCool™ 5mm × 6mm package. With an exposed metal top, this power block device allows for a simple heat sink application to draw heat out through the top of the package and away from the PCB. This design allows for superior thermal performance at the higher currents demanded by many motor control applications.Features
- Half-bridge power block
- High-density SON 5mm × 6mm footprint
- Low RDS(ON) for minimized conduction losses
- 2.4W PLoss at 35A
- DualCool™ thermally enhanced package
- Ultra-low-inductance package
- RoHS compliant
- Halogen-free
- Lead-free terminal plating
Applications
- Three-phase bridge for brushless DC motor control
- Up to 8s battery power tools
- Other half and full-bridge topologies
Typical Circuit
Videos
Publicado: 2017-06-12
| Actualizado: 2022-05-24
