Texas Instruments BQ76922 3- to 5-Series Battery Monitor

Texas Instruments BQ76922 3- to 5-Series Battery Monitor offers high-accuracy and integration of high-side charge-pump NFET drivers, a programmable LDO for external system use, a host communication peripheral supporting 400kHz I2C and HDQ one-wire standards. The TI BQ76922 monitors and protects 3- to 5-series Li-ion, Li-polymer, and LiFePO4 battery packs. The BQ76922 incorporates a high-accuracy monitoring system, a highly configurable protection subsystem, and support for autonomous or host-controlled cell balancing. The BQ76922 is housed in a 32-pin 4mm x 4mm QFN package.

Features

  • Battery monitoring capability for 3-series to 5-series cells
  • Integrated charge pump for high-side NFET protection with optional autonomous recovery
  • Extensive protection suite including voltage, temperature, current, and internal diagnostics
  • Two independent ADCs
    • Support for simultaneous current and voltage sampling
    • High-accuracy coulomb counter with input offset error <1µV (typical)
    • High accuracy cell voltage measurement <10mV (typical)
  • Wide-range current applications (±200mV measurement range across sense resistor)
  • Integrated secondary chemical fuse drive protection
  • Autonomous or host-controlled cell balancing
  • Tolerant of random cell attach sequence on a production line
  • Multiple power modes (typical battery pack operating range conditions) 
    • NORMAL mode of 286µA
    • Multiple SLEEP mode options of 24µA to 41µA
    • Multiple DEEPSLEEP mode options of 9µA to 10µA
    • SHUTDOWN mode of 1µA
  • High-voltage tolerance of 60V on cell connect and select additional pins
  • Support for temperature sensing using an internal sensor and up to five external thermistors
  • Integrated one-time-programmable (OTP) memory programmable by customers on a production line
  • Communication options include 400kHz I2C and HDQ one-wire interface
  • Programmable LDO for external system usage
  • 32-pin QFN package (RSN)

Applications

  • Cordless power tools and garden tools
  • Vacuum cleaners
  • Vacuum robots
  • Non-military drones
  • Other industrial battery pack (3-series to 5-series)

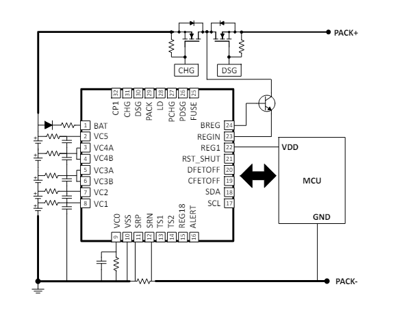
Simplified Schematic

Schematic - Texas Instruments BQ76922 3- to 5-Series Battery Monitor
Publicado: 2024-05-23 | Actualizado: 2024-06-05