Texas Instruments AFE79xx Quad Channel RF Transceivers
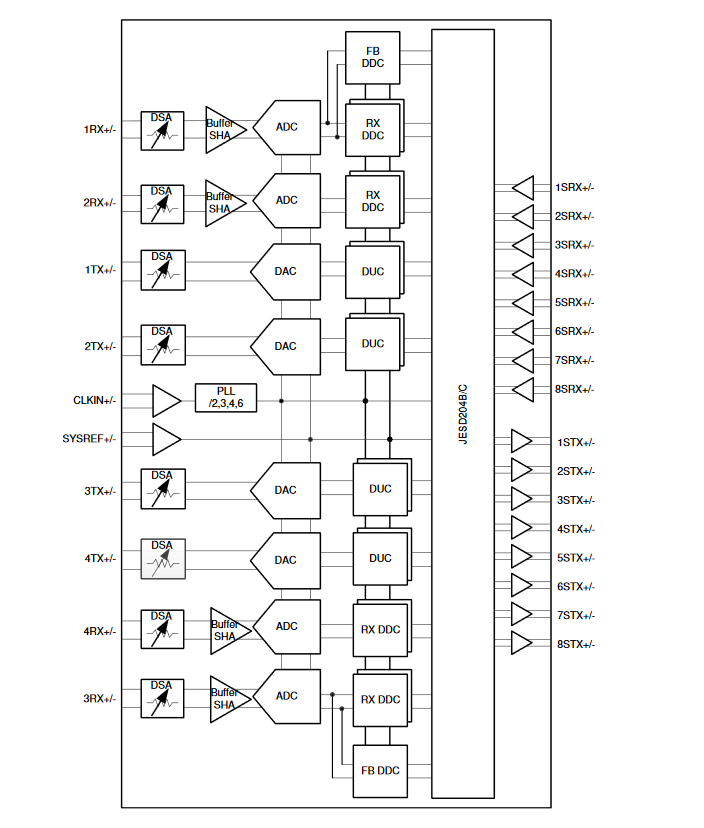
Texas Instruments AFE79xx Quad Channel RF Transceivers offer high performance and wide bandwidth while integrating four RF sampling transmitter chains, four RF sampling receiver chains, and up to two RF sampling digitizing auxiliary chains (feedback paths). The high dynamic range of the transmitter and receiver chains allows the device to generate and receive 3G, 4G, and 5G signals from wireless base stations. The wide bandwidth capability of the AFE79xx devices is designed for multi-band 4G and 5G base stations.Each receiver chain includes a 25dB range DSA (Digital Step Attenuator) followed by a 3GSPS ADC (analog-to-digital converter). Additionally, each receiver channel has an analog peak power detector, various digital power detectors to assist an external or internal autonomous automatic gain controller, and RF overload detectors for device reliability protection.
The single or dual digital down converters (DDC) provide up to 600MHz of combined signal BW. In TDD mode, the receiver channel can be configured to dynamically switch between the traffic receiver (TDD RX) and wideband feedback receiver (TDD FB), which is capable of reusing the same analog input for both purposes.
The Texas Instruments AFE79xx Quad Channel RF Transceivers are packaged in 17mm × 17mm FCBGA, with 0.8mm pitch.
Features
- Quad RF sampling 12GSPS transmit DACs
- Quad RF sampling 3GSPS receive ADCs
- Dual RF sampling 3GSPS feedback ADCs (AFE792x only)
- Maximum RF signal bandwidth:
- Digital Step Attenuators (DSA)
- TX: 40dB range, 1dB analog and 0.125dB digital steps
- RX: 25dB range, 0.5dB steps
- FB: 25dB range, 0.5dB steps
- Single or dual-band DUC/DDCs (AFE7920/88 only) for TX and RX
- Dual NCOs for fast frequency switching
- Supports TDD operation with fast switching between TX and RX
- Internal PLL/VCO to generate DAC/ADC clocks
- Optional external CLK at DAC or ADC rate
- SerDes data interface
- JESD204B and JESD204C compliant
- 8 SerDes transceivers up to 29.5Gbps
- 8b/10b and 64b/66b encoding
- 12-bit, 16-bit, 24-bit, and 32-bit resolution
- Subclass 1 multi-device synchronization
- 17mm × 17mm FCBGA, 0.8mm pitch package
Applications
- Macro remote radio unit (RRU)
- Active antenna system mMIMO (AAS)
- Small cell base station
- Repeater
- Distributed Antenna Systems (DAS)
AFE7920/21 Functional Block Diagram
AFE7988/89 Functional Block Diagram
