Taiwan Semiconductor MMSZ4X Zener Diodes
Taiwan Semiconductor MMSZ4X Zener Diodes feature constant voltage control, and polarity is indicated by the cathode band. These diodes offer matte tin-plated leads terminal solderable per J-STD-002 terminal and SOD-123 case. The MMSZ4X zener diodes provide a molding compound that meets UL 94V-0 flammability rating and is RoHS-compliant and Halogen-free. These diodes feature a level 1 moisture sensitivity level as per J-STD-020 and weigh 10.97mg (approximately). The MMSZ4X zener diodes operate at -55°C to 155°C temperature range and 50µA test current. These diodes are ideally used in general-purpose regulation and protection applications and high-density applications.Features
- Constant voltage control
- Moisture sensitivity level: level 1, per J-STD-020
- RoHS compliant
- Halogen-free
- SOD-123 case
- Molding compound meets UL 94V-0 flammability rating
- Matte tin-plated leads, solderable per J-STD-002 terminal
- Polarity is indicated by the cathode band
Specifications
- 500mW power dissipation
- 20V zener voltage
- 5% voltage tolerance
- 50µA test current
- 10.97mg (approximately) weight
- 1.8V to 39V wide voltage range selection range
- -55°C to 155°C temperature range
Applications
- General-purpose regulation and protection applications
- Small package size for high-density applications
Circuit Diagram
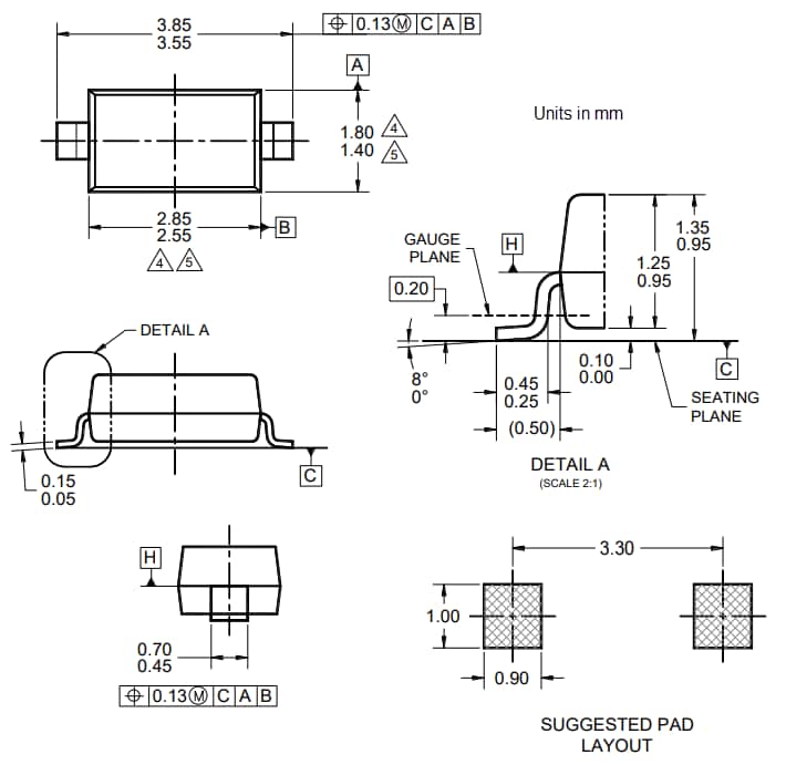
Dimension Diagram
View Results ( 39 ) Page
| N.º de artículo | Vz - Tensión del zener | Altura | Longitud | Ancho | Ir - Corriente inversa |
|---|---|---|---|---|---|
| MMSZ4678 RHG | 1.8 V | 1.25 mm | 2.85 mm | 1.8 mm | 7.5 uA |
| MMSZ4679 RHG | 2 V | 1.25 mm | 2.85 mm | 1.8 mm | 5 uA |
| MMSZ4680 RHG | 2.2 V | 1.25 mm | 2.85 mm | 1.8 mm | 4 uA |
| MMSZ4681 RHG | 2.4 V | 1.25 mm | 2.85 mm | 1.8 mm | 2 uA |
| MMSZ4682 RHG | 2.7 V | 1.25 mm | 2.85 mm | 1.8 mm | 1 uA |
| MMSZ4683 RHG | 3 V | 1.25 mm | 2.85 mm | 1.8 mm | 800 nA |
| MMSZ4684 RHG | 3.3 V | 1.25 mm | 2.85 mm | 1.8 mm | 7.5 uA |
| MMSZ4685 RHG | 3.6 V | 1.25 mm | 2.85 mm | 1.8 mm | 7.5 uA |
| MMSZ4686 RHG | 3.9 V | 1.25 mm | 2.85 mm | 1.8 mm | 5 uA |
| MMSZ4687 RHG | 4.3 V | 1.25 mm | 2.85 mm | 1.8 mm | 4 uA |
Publicado: 2024-01-15
| Actualizado: 2024-01-24
