STMicroelectronics TDA7498E Dual BTL Class-D Audio Amplifier

STMicroelectronics TDA7498E Dual BTL Class-D Audio Amplifier features a single power supply designed for home systems and active speaker applications. Features of the TDA7498E Dual BTL Class-D Audio Amplifier include wide-range single-supply operation, high efficiency, parallel BTL function using the MODE pin, four selectable, fixed gain settings, differential inputs that minimize common-mode noise, standby and mute features, smart protection, and thermal overload protection. The STMicroelectronics TDA7498E Dual BTL Class-D Audio Amplifier comes in a 36-pin PowerSSO package with exposed pad up (EPU) to facilitate mounting a separate heatsink.

Features

  • 160W + 160W output power at THD = 10% with RL= 4Ω and VCC = 36V
  • 1 x 220W output power mono parallel BTL at THD = 10% with RL= 3Ω and VCC = 36V
  • Wide-range single-supply operation (14 - 36V)
  • High efficiency (η = 85%)
  • Parallel BTL function using the MODE pin
  • Four selectable, fixed gain settings of nominally 23.8dB, 29.8dB, 33.3dB and 35.8dB
  • Differential inputs minimize common-mode noise
  • Standby and mute features
  • Smart protection
  • Thermal overload protection
  • Small offset less than 20mV

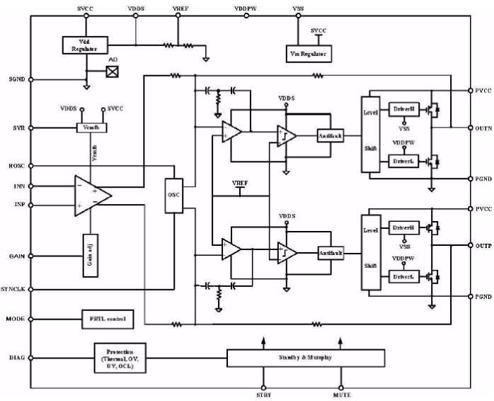
Block Diagram

STMicroelectronics TDA7498E Dual BTL Class-D Audio Amplifier
Publicado: 2012-03-05 | Actualizado: 2022-03-11