STMicroelectronics VN7007ALHTR High-Side Driver

STMicroelectronics VN7007ALHTR High-Side Driver is a single channel driver with CurrentSense analog feedback. This VN7007ALHTR high-side driver is designed to drive 12V automotive grounded loads through a 3V and 5V CMOS-compatible interface. The VN7007ALHTR high-side driver offers diagnostic functions like overload and short to the ground indication, thermal shutdown indication, OFF-state open-load detection, and sense enable/disable. This VN7007ALHTR driver integrates advanced protective functions such as load current limitation, overload active management by power limitation, and overtemperature shutdown. The STMicroelectronics VN7007ALHTR High-Side Driver is manufactured with ST proprietary VIPower® technology and housed in the octapak package. Typical applications include automotive smart power distribution, high-power resistive and inductive actuators, glow plugs, heating systems, DC motors, and relay replacement.

Features

  • General:
    • Single channel smart high-side driver
    • CurrentSense analog feedback
    • Compatible with 3V and 5V CMOS outputs
  • Diagnostic functions:
    • Overload and short to the ground indication
    • Thermal shutdown indication
    • OFF-state open-load detection
    • Output short to VCC detection
    • Sense enable/disable
  • Protections:
    • Undervoltage shutdown
    • Overvoltage clamp
    • Load current limitation
    • Self-limiting of fast thermal transients
    • Loss of ground and loss of VCC
    • Configurable latch-off on overtemperature or power limitation
    • Reverse battery
    • Electrostatic discharge protection

Applications

  • Automotive smart power distribution
  • Glow plugs
  • Heating systems
  • DC motors
  • Relay replacement 
  • High-power resistive and inductive actuators

Specifications

  • 40V maximum transient supply voltage (VCC)
  • 4V to 28V operating voltage range
  • 7mΩ (typical) on-state resistance (per Ch) (RON)
  • 100A (typical) current limitation (ILIMH)
  • 0.5µA (maximum) standby current (ISTBY
  • -40°C to +150°C junction operating temperature

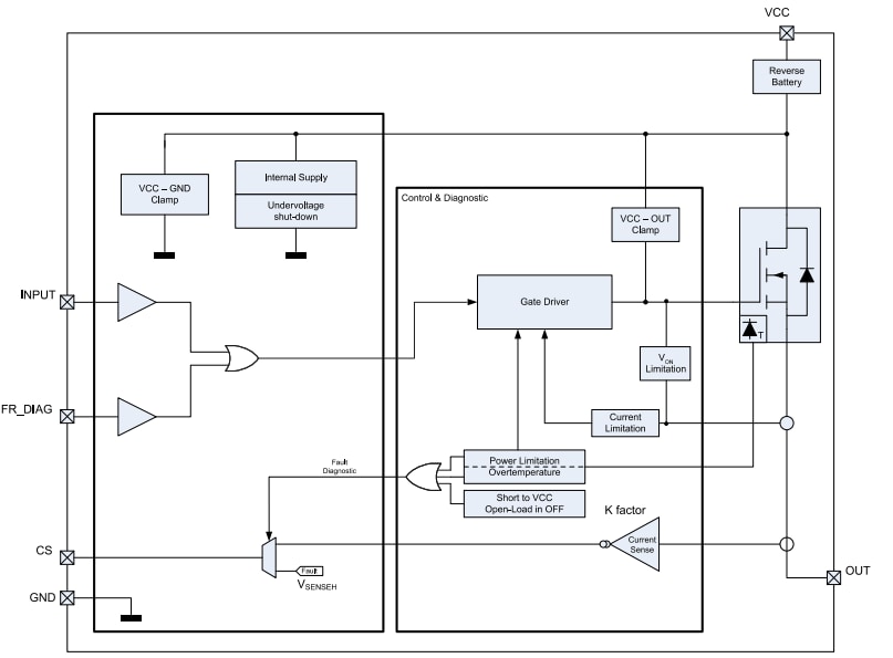
VN7007ALHTR Block Diagram

Block Diagram - STMicroelectronics VN7007ALHTR High-Side Driver
Publicado: 2018-08-02 | Actualizado: 2023-02-13