STMicroelectronics Teseo-LIV4F Tiny GNSS Dual-Band Modules

STMicroelectronics Teseo-LIV4F Tiny GNSS Dual-Band Modules are easy-to-use Global Navigation Satellite System (GNSS) standalone low-power modules. These modules embed Teseo IV single die standalone positioning receiver IC that works simultaneously on multiple constellations (GPS/Galileo/Glonass/BeiDou/QZSS). The Teseo-LIV4F modules offer an onboard Temperature Compensated Crystal Oscillator (TCXO), Time To First Fix (TTFF), and dedicated Real Time Clock (RTC) oscillator. These Teseo-LIV4F modules come in a 9.7mm x 10.1mm compact package size. Typical applications include insurance, goods tracking, drones, tolling, anti-theft systems, people and pet location, vehicle tracking, emergency calls, fleet management, diagnostics, and public transportation.

Features

  • Simultaneous multi-constellation and multi-band GNSS (GPS/Galileo/Glonass/ BeiDou/QZSS)
  • IRNSS constellation ready
  • -162dBm tracking sensitivity
  • Submeter positioning accuracy
  • Embedded flash
  • Firmware upgrade
  • Free firmware configuration
  • 3V to 3.63V VCC/VBAT supply voltage range
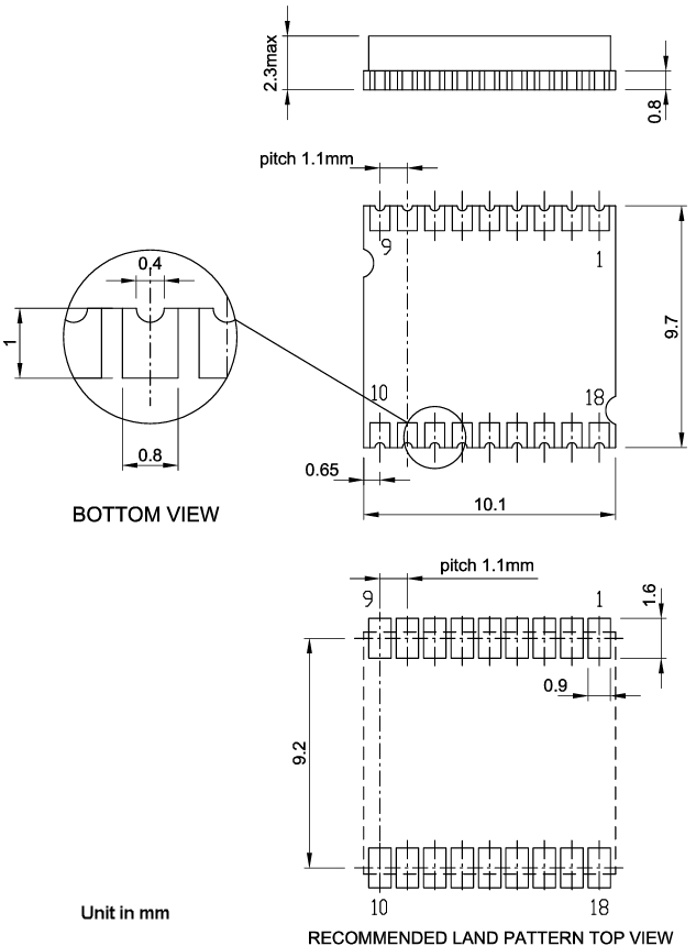
  • 9.7mm x 10.1mm tiny LCC-18 pin package
  • -40°C to 85°C operating temperature range
  • 10μA standby current consumption and 48.8mA GNSS L1 and L5 tracking current consumption

Applications

  • Insurance black boxes
  • Goods tracking
  • Drones
  • Tolling
  • Anti-theft systems
  • People and pet location
  • Vehicle tracking
  • Emergency calls
  • Fleet management
  • Vehicle sharing
  • Diagnostics
  • Public transportation

Module Block Schematic

Schematic - STMicroelectronics Teseo-LIV4F Tiny GNSS Dual-Band Modules

Dimension Diagram

Mechanical Drawing - STMicroelectronics Teseo-LIV4F Tiny GNSS Dual-Band Modules

Videos

Publicado: 2023-05-09 | Actualizado: 2024-05-15