STMicroelectronics STPA008 MOSFET Quad Bridge Power Amplifier

STMicroelectronics STPA008 MOSFET Quad Bridge Power Amplifier is a breakthrough class AB audio power amplifier designed for high-power car radio. The fully complementary P-Channel/N-Channel output structure allows a rail-to-rail output voltage swing. STMicroelectronics STPA008 MOSFET Quad Bridge Power Amplifier combines a high-output current and minimized saturation losses. This sets new power references in the car-radio field with unparalleled distortion performances.

The STPA008 can operate down to 6V making the IC compliant to the most recent OEM specifications for low voltage operation (so called "start-stop" battery profile during engine stop). This helps car manufacturers reduce the overall emissions, contributing to environment protection.

Features

  • High output power capability
    • 4x50W/4Ω Max.
    • 4x28W/4Ω @ 14.4V, 1kHz, 10%
    • 4x72W/2Ω Max.
  • MOSFET output power stage
  • 2Ω driving capability
  • Operates down to 6V (suitable for start-stop car operation)
  • Excellent GSM noise immunity
  • Hi-Fi class distortion
  • Low output noise
  • High immunity to RF noise injection
  • Standby function
  • Mute function
  • Automute at minimum supply voltage detection
  • Low external component count
  • Internally fixed gain (26dB)
  • Protections
    • Output short circuit to GND, to Vs, across the load
    • Very inductive loads
    • Overrating chip temperature with soft thermal limiter
    • Output DC offset detection
    • Load dump
    • Fortuitous open GND
    • Reversed battery
    • Electrostatic discharge

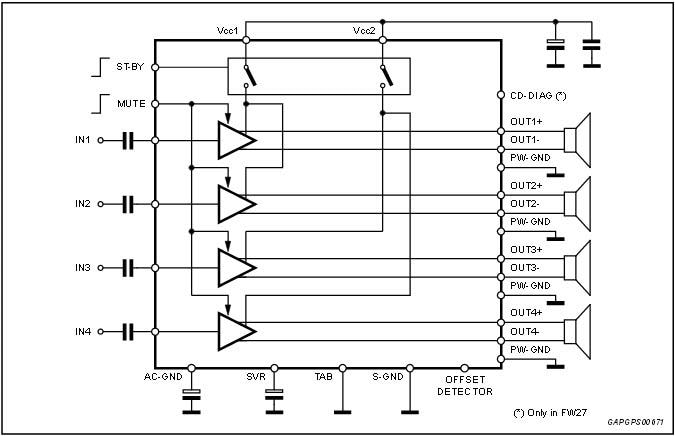
Functional Block Diagram

Block Diagram - STMicroelectronics STPA008 MOSFET Quad Bridge Power Amplifier
Publicado: 2015-05-20 | Actualizado: 2022-03-11