STMicroelectronics BALF-NRG-0xD3 BlueNRG Baluns
STMicroelectronics BALF-NRG-0xD3 BlueNRG Baluns are ultra-miniature devices that integrate a matching network and harmonics filter. The matching impedances of these baluns are customized for the BlueNRG ST transceiver. The BALF-NRG-0xD3 baluns are designed using STMicroelectronics Integrated Passive Device (IPD) technology on a non-conductive glass substrate to optimize RF performance.Features
- 50Ω nominal input/conjugate match to BluNRG device
- Low insertion loss
- Low amplitude imbalance
- Low phase imbalance
- High RF performance
- RF BOM reduction
- Small footprint
- BALF-NRG-01D3 supports both QFN and Wafer Level Chip Scale Package (WLCSP) BlueNRG
Applications
- Bluetooth low energy impedance matched balun filter
- Optimized for ST BlueNRG RFIC
Additional Resources
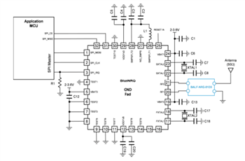
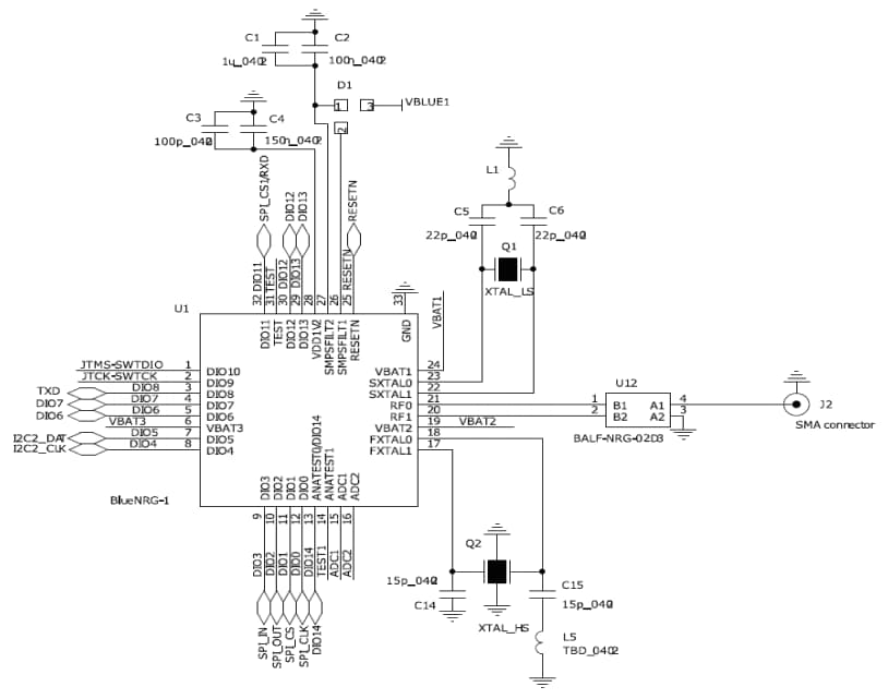
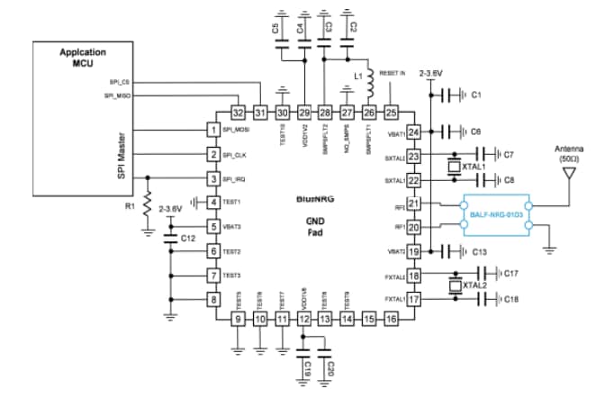
BALF-NRG-02D3 Application Circuit
Publicado: 2019-01-25
| Actualizado: 2024-01-23
