STMicroelectronics A6983I Iso-Buck Converter
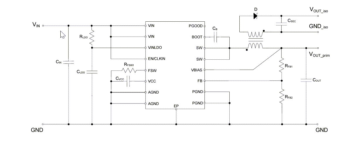
STMicroelectronics A6983I Iso-Buck Converter is specifically created for isolated buck topology. The primary output voltage on the A6983I can be accurately adjusted, whereas the isolated secondary output is derived using a given transformer ratio. No optocoupler is required. The primary sink capability up to 4.5A (even during soft-start) permits a proper energy transfer to the secondary side and allows a tracked soft-start of the secondary output. The control loop supports a peak current mode architecture, and the STM A6983I operates in forced PWM. The 390ns blanking time filter oscillations generated by the transformer leakage inductance make the solution more robust.The compact QFN-16 (3mm x 3mm) package and the internal compensation of the A6983I help minimize the design complexity and size. The switching frequency can be programmed in the 200kHz to 1MHz range with an optional spread spectrum for improved EMC.
Features
- AEC-Q100 qualified
- Operating temperature range of -40°C to +150°C for Tj
- Designed for iso-buck topology
- 3.5V to 38V operating input voltage
- Load dump tolerant up to 40V
- Primary output voltage regulation, no optocoupler required
- 4.5A source/sink peak primary current capability
- Peak current mode architecture in forced PWM operation
- 390ns blanking time
- 25μA operating quiescent current
- 200kHz to 1MHz programmable switching frequency, stable with low ESR capacitor, min 2µF
- Internal compensation network
- 2μA shutdown current
- Internal soft-start
- Enable pin
- Overvoltage protection
- Output voltage sequencing
- Thermal protection
- Optional spread spectrum for improved EMC
- Power Good
- Synchronization to the external clock
- QFN-16 (3mm x 3mm) package
Applications
- Automotive isolated IGBT/SiC MOSFET gate drive supply
- On-board charger (OBC) for HEV/EV
- Electric traction systems
Block Diagram
Typical application circuit
Iso-buck general schematic
Publicado: 2024-02-16
| Actualizado: 2025-03-28
