ROHM Semiconductor RB-D62Q1714TB52 Reference Board

ROHM Semiconductor RB-D62Q1714TB52 Reference Board, powered by the LAPIS ML62Q1714 CMOS 16-bit RISC MCU, is a versatile and energy-efficient platform designed for a wide range of embedded applications. Featuring a low-power 16-bit RISC architecture, this reference board is ideal for battery-powered and compact devices that require high reliability and performance. The ML62Q1714 MCU integrates key peripherals such as ADC, UART, SPI, and I2C, offering flexibility for interfacing with sensors, actuators, and communication modules.

The ROHM Semiconductor RB-D62Q1714TB52 board is particularly suited for applications in smart home automation, industrial/factory automation, Internet of Things (IoT) devices, automotive subsystems, and portable medical equipment. The board's compact design, low power consumption, and robust feature set make it an excellent choice for developers looking to prototype and implement efficient, cost-effective embedded solutions.

Features

  • Provided with the LAPIS ML62Q1714 CMOS 16-bit RISC MCU, 52-pin TQFP
  • Mounted with the linked connector to EASE1000
  • Through-holes for connecting the pins of LSI to external peripheral boards
  • Selectable power supply, supplied from the on-chip emulator EASE1000 or CN1_3pin/CN2_2pin
  • Mounted LEDs (P20, P21, P22)
  • Mounted 32.768KHz crystal
  • Low power consumption
  • Internal flash memory and RAM
  • Flexible I/O and communication interfaces
  • Real-time processing
  • 1.6V to 5.5V operating supply range
  • Compact form factor, 56mm x 94mm x 15mm (WxDxH) size

Applications

  • Smart home automation
  • Industrial and factory automation
  • Internet of Things (IoT) and connectivity
  • Consumer electronics
  • Automotive subsystems
  • Medical and portable devices
  • Embedded applications

Overview

Location Circuit - ROHM Semiconductor RB-D62Q1714TB52 Reference Board

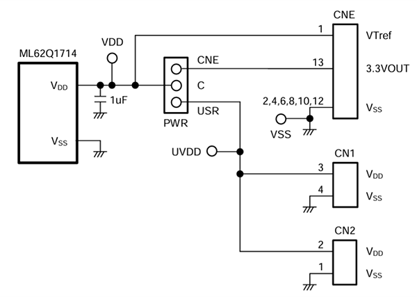
Power Circuit

Location Circuit - ROHM Semiconductor RB-D62Q1714TB52 Reference Board

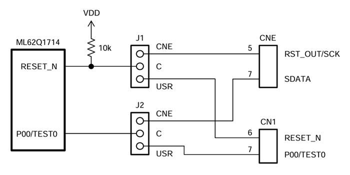
EASE1000 Interface

Location Circuit - ROHM Semiconductor RB-D62Q1714TB52 Reference Board

PCB Layout

Mechanical Drawing - ROHM Semiconductor RB-D62Q1714TB52 Reference Board
Publicado: 2024-12-27 | Actualizado: 2025-01-06