ROHM Semiconductor High Speed Operational Amplifiers

ROHM High-Speed Operational Amplifiers product line includes high-speed operational amplifiers with dual circuits or quad circuits. These high-speed op-amps feature high gain-bandwidth characteristics (4MHz typical), high slew rates (10V/μs typical), and a wide operating voltage range of 3V to 36V (single power supply) or 1.5V to 18V (dual power supply).

Features

  • Operable with a single power supply
  • Wide operating supply voltage
  • Internal phase compensation
  • High open-loop voltage gain
  • Operable low input voltage around GND level
  • Wide output voltage range

Specifications

  • 10V/µs (typical) slew rate
  • 4MHz (typical) unity gain frequency
  • Operating supply voltage:
    • 3V to 36V single power supply
    • ±1.5V to 18V dual power supply

Applications

  • Current sense application
  • Buffer application amplifier
  • Active filter
  • Consumer electronics

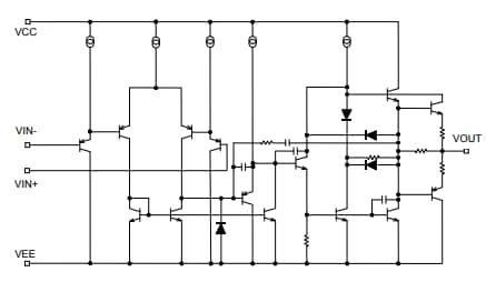
High-speed Operational Amplifiers Schematic

Schematic - ROHM Semiconductor High Speed Operational Amplifiers
Publicado: 2014-11-18 | Actualizado: 2022-03-11