ROHM Semiconductor BM81810MUF-ME2 Power Management IC

ROHM Semiconductor BM81810MUF-ME2 Power Management IC incorporates a VCOM amplifier, Gate Pulse Modulation (GPM), and built-in EEPROM. This Power Management Integrated Circuit (PMIC) features a positive charge pump for VGH output and a negative charge pump for VGL output. The BM81810MUF-ME2 IC includes under-voltage lockout, thermal shut down, over-current protection, over-voltage protection, and under-voltage protection circuits. This PMIC operates at -40°C to 105°C temperature range, 2μA standby current, and 2.6V to 5.5V input voltage range. Typical applications include car navigation, in-vehicle center panel, and instrument cluster.

Features

  • AEC-Q100 qualified
  • Alternative synchronous buck DC/DC converter or LDO for VDD output
  • Synchronous boost DC/DC converter for AVDD output with integrated load switch
  • VCOM amplifier with 7bit calibrator
  • Positive charge pump for VGH output
  • Negative charge pump for VGL output
  • VGH and VCOM temperature compensation
  • Gate Pulse Modulation (GPM)
  • I2C interface output voltage setting control function (integrated EEPROM)
  • Switching frequency switching function
  • Protection circuits:
    • Under-voltage lockout
    • Thermal shut down
    • Over-current protection
    • Over-voltage protection
    • Under-voltage protection

Specifications

  • 2.6V to 5.5V input voltage range
  • -40°C to 105°C operating temperature range
  • 2μA standby current
  • 5V to 17V AVDD output voltage range
  • 8V to 35V VGH output voltage range
  • 4V to -14V VGL output voltage range
  • 0.9V to 3.4V VDD output voltage range
  • 200mA VCOM output current
  • 525KHz, 1.05MHz, and 2.1MHz switching frequency

Applications

  • TFT-LCD panels:
    • Car navigation
    • In-vehicle center panel
    • Instrument cluster

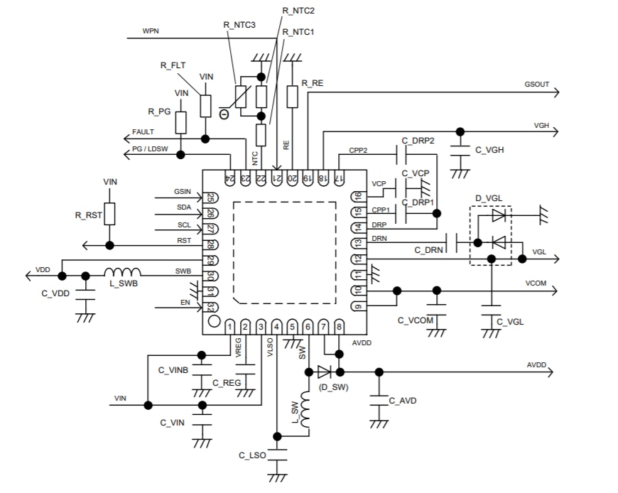
Application Circuit

Application Circuit Diagram - ROHM Semiconductor BM81810MUF-ME2 Power Management IC
Publicado: 2021-02-23 | Actualizado: 2024-02-08