ROHM Semiconductor BD85506F Synchronous Rectification Control ICs

ROHM Semiconductor BD85506F Synchronous Rectification Control ICs feature enhanced abnormality detection function on the secondary side. This IC has a function to detect FET abnormalities like body diode rectification operation. In addition, it incorporates a high-accuracy overvoltage detection circuit, contributing to improved safety and reduction of external components.

Features

  • Internal FET abnormality detection function for secondary-side synchronous rectification
  • Internal overvoltage detection circuit (OVP) (externally adjustable, high accuracy: 2%)
  • Efficiency improvement by FET OFF threshold voltage is adjustable
  • Source of each FET can be individually monitored
  • Internal standby mode automatic determination function
  • Internal multipurpose comparator
  • With the slow start function, it is possible to set the FET abnormality detection function at startup and during the start of the switching operation
  • Wide input voltage range 5.0V to 32V
  • D1, D2 Pin 120V (Max) breakdown voltage
  • Flow compatible SOP14 package

Applications

  • Isolated LLC type AC/DC power supply
  • Adapter, TV, printer, office equipment, etc

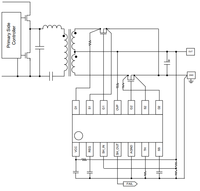
Typical Application Circuits

Application Circuit Diagram - ROHM Semiconductor BD85506F Synchronous Rectification Control ICs
Publicado: 2022-02-01 | Actualizado: 2022-03-11