Renesas Electronics ISL81801 Evaluation Boards
Renesas Electronics ISL81801 Evaluation Boards are designed to evaluate ISL81801 80V synchronous buck-boost controllers. These boards include Bi-directional operation, high light-load efficiency in pulse skipping DEM operation, and programmable soft-start. The ISL81801 evaluation boards provide optional CC/HICCUP OCP protection, OVP, OTP, and UVP protection. The inductor size is optimized from 100kHz to 600kHz programmable switching frequency range and the strong gate driver provides up to 20A current for buck-boost output. These evaluation boards are designed for high current applications.ISL81801EVAL1Z Evaluation Board
The ISL81801EVAL1Z evaluation board operates from 9V to 80V input voltage range and provides 200kHz switching frequency, 12V output voltage, and 10A output current. This evaluation board features an Overcurrent Protection (OCP) setpoint of a minimum of 11A at ambient room temperature.
ISL81801EVAL2Z Evaluation Board
The ISL81801EVAL2Z evaluation board operates from 32V to 80V input voltage range that provides 48V output voltage and 5A output current. This evaluation board features an Overcurrent Protection (OCP) setpoint of a minimum of 5.5A at ambient room temperature.
Features
- PGOOD indicator
- Over-Voltage Protection (OVP)
- One-Time-Programmable memory (OTP)
- Under-Voltage Protection (UVP)
- Optional CC/HICCUP OCP protection
- 100kHz to 600kHz programmable switching frequency range
Specifications
- ISL81801EVAL1Z Evaluation Board:
- 9V to 80V input voltage range
- 200kHz switching frequency
- 12V output voltage
- 10A output current
- 11A OCP set point at ambient room temperature
- ISL81801EVAL2Z Evaluation Board:
- 32V to 80V input voltage range
- 200kHz switching frequency
- 48V output voltage
- 5A output current
- 5.5A OCP set point at ambient room temperature
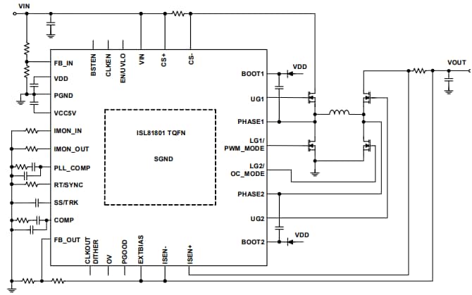
Block Diagram
View Results ( 2 ) Page
| N.º de artículo | Hoja de datos | Voltaje de entrada | Voltaje de salida | Corriente de salida |
|---|---|---|---|---|
| ISL81801EVAL1Z | ![]() |
9 V to 80 V | 12 V | 10 A |
| ISL81801EVAL2Z | ![]() |
32 V to 80 V | 48 V | 5 A |
Publicado: 2020-12-16
| Actualizado: 2022-03-11

