Qorvo QPL7433 45MHz to 3.3GHz Low Noise Amplifier

Qorvo QPL7433 50MHz to 3.3GHz Low Noise Amplifier is a high-gain, wide-bandwidth MMIC pHEMT single-ended RF amplifier IC featuring 17.5dB of flat gain. The QPL7433 is designed to support customer-premises equipment(CPE) front end, cable, satellite and terrestrial TV, home gateways, and cable modems from 50MHz to 3300MHz using a single 5V supply.

The Qorvo QPL7433 offers low noise and low distortion plus high gain in a compact 2mm x 2mm DFN package, ideal for space-constrained applications.

Features

  • 50MHz to 3.3GHz frequency range
  • Up to 17.5dB gain over the entire bandwidth
  • Low 5V, 90mA power consumption
  • 1.5dB typical noise figure
  • 20dB reverse isolation
  • 15dB output return loss
  • Adjustable bias using external resistors
  • -40°C to +85°C operating temperature range
  • -65°C to +150°C storage temperature range
  • DFN-8 package type 
  • 2mm x 2mm package dimensions
  • RoHS compliant

Applications

  • Cable, terrestrial, and satellite
  • Extended-spectrum DOCSIS
  • CATV nodes and amplifiers
  • Satellite low-noise amplifiers
  • Cable modem and set-top boxes
  • Single-ended gain block

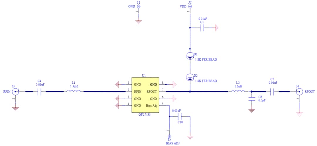
Typical Application Circuit

Application Circuit Diagram - Qorvo QPL7433 45MHz to 3.3GHz Low Noise Amplifier

Pin Designations

Mechanical Drawing - Qorvo QPL7433 45MHz to 3.3GHz Low Noise Amplifier

Package Outline

Mechanical Drawing - Qorvo QPL7433 45MHz to 3.3GHz Low Noise Amplifier
Publicado: 2020-02-24 | Actualizado: 2024-09-06