Qorvo QPA1111 Power Amplifiers

Qorvo QPA1111 Power Amplifiers are high-power, packaged X-Band MMIC amplifiers fabricated using 0.15μm GaN-on-SiC process (QGaN15). These amplifiers operate from 8.5GHz to 10.5GHz frequency range and a storage temperature of -55°C to 150°C range. The QPA1111 amplifiers offer 30W saturated output power with a power-added efficiency of 45% and a small signal gain of 38dB. These amplifiers are fully matched to 50Ω with DC-grounded I/O ports for optimum ESD performance and to simplify system integration. The QPA1111 power amplifiers are 100% DC and RF tested to ensure compliance with electrical specifications and are ideal for radar, satellite communications, and datalink applications.

Features

  • 8.5GHz to 10.5GHz frequency range
  • 45dBm POUT (PIN = 18dBm)
  • 45% PAE (PIN = 18dBm)
  • 27dBm power gain (PIN = 18dBm)
  • 65W power dissipation (PD)
  • 38dB small signal gain
  • -55°C to 150°C storage temperature range
  • Bias:
    • Pulsed VD = 22V
    • IDQ = 620mA
    • PW = 100µs
    • DC = 10%
    • VG = -2.3V typical range
  • 6mm x 6mm x 0.85mm package dimensions
  • Lead-free and RoHS-compliant

Applications

  • Satellite communications
  • Radar
  • Datalinks

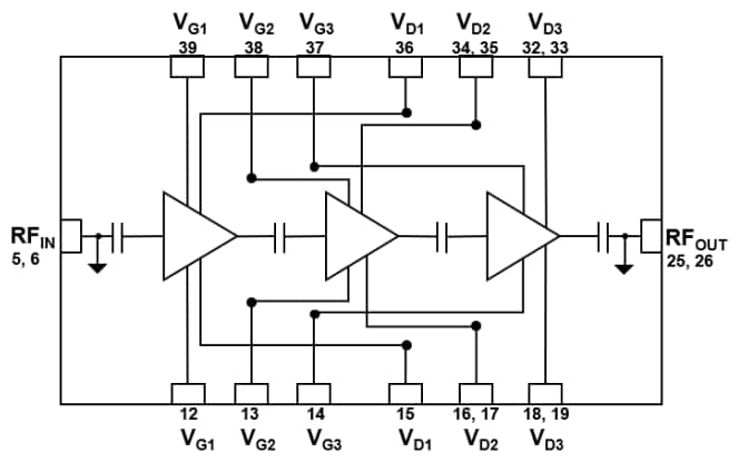
Functional Block Diagram

Block Diagram - Qorvo QPA1111 Power Amplifiers
Publicado: 2024-09-20 | Actualizado: 2024-10-15