Qorvo ACT2861QI 30V Buck-Boost Charger

Qorvo ACT2861QI 30V Buck-Boost Charger is designed with four integrated MOSFETs and On-The-Go (OTG) function. This buck-boost charger offers a high efficiency, low-component-counts, compact solution for two- to five-cell battery-charging applications. Qorvo ACT2861QI buck-boost charger operates from 3.9V to 29V input voltage range. This charger reduces input current in shipping, shutdown, and standby for applications that are sensitive to battery-powered devices. Qorvo ACT2861QI 30V Buck-Boost Charger is available in 32-pin configuration and 4mm x 4mm QFN package. Typical applications include a multi-cell battery charger, car charger, power bank, 24V industrial applications, DC UPS, and solar-powered devices.

Features

  • 3.9V to 29V input voltage range
  • Supports 2- to 5-cell lithium-ion batteries
  • Supports OTG function (5V to 22.5V input) with a wide range of output voltages
  • Programmable frequencies
    • 125kHz
    • 250kHz
    • 500kHz
    • 1MHz
  • 100mA output current
  • 2V to 5V output voltage
  • 0.5% precision
  • ±4% output constant current regulation
  • <5μA leakage current from a battery in shipping mode
  • JEITA compliant
  • Cycle-by-cycle current limit
  • Built-in ADC for monitoring
    • Temperature
    • Input and output voltage
    • Input and output current
  • Thermal regulation and protection
  • Low output ripple
  • Thermally-enhanced 32-lead, 4m x 4mm QFN package

Applications

  • Multicell battery chargers
  • Portable battery-powered devices
  • Car chargers
  • Power banks
  • 24V industrial applications
  • Automotive power systems
  • Multiple power source supplies
  • DC UPS
  • Solar-powered devices
  • Solid-state lighting

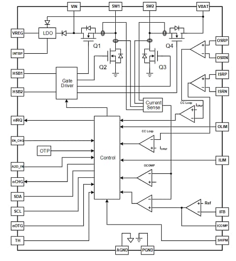
Block Diagram

Block Diagram - Qorvo ACT2861QI 30V Buck-Boost Charger

Car Charger Reference Design

Block Diagram - Qorvo ACT2861QI 30V Buck-Boost Charger

Power Bank Reference Design

Block Diagram - Qorvo ACT2861QI 30V Buck-Boost Charger
Publicado: 2018-05-21 | Actualizado: 2023-01-31