onsemi TL331 Comparators
onsemi TL331 Comparators are single channel, open collector, and low-power voltage comparators. These comparators are specifically designed to operate over a wide 2V to 36V single supply voltage range and ±1V to ±18V range for split supplies. The TL331 comparators feature 0.5mA low supply current, 25nA low input bias current, ±5nA low input offset current, and ±2mV low input offset voltage. The input common-mode voltage range includes ground, even when operated from a single power supply voltage. The TL331 comparators come in a space-saving TSOP−5 package and are also available in an automotive-qualified version. These comparators are used in automotive and other applications that require unique site and control change requirements.Features
- Wide single supply voltage range or dual supplies
- 0.5mA (typical) low supply current
- 25nA (typical) low input bias current
- ±5nA (typical) low input offset current
- ±2mV (typical) low input offset voltage
- -40°C to 125°C operating temperature range
- Input common-mode voltage range includes ground
- 150mV low output saturation voltage (typical) at IO=4mA
- Differential input voltage range equal to the supply voltage
- AEC-Q100 qualified and PPAP capable
- Pb-free, Halogen-free/BFR-free, and RoHS compliant
Applications
- TTL, DTL, ECL, and CMOS-compatible devices
- Inverters
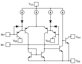
Schematic
View Results ( 4 ) Page
| N.º de artículo | Hoja de datos | Ib - Polarización de entrada de tensión | Ios - Tensión offset de entrada | Vos - Tensión offset de entrada | Corriente de salida por canal | Corriente de suministro operativa | Tiempo de retardo de propagación | Estilo de montaje | Paquete / Cubierta | Número de canales | RoHS - Mouser |
|---|---|---|---|---|---|---|---|---|---|---|---|
| TL331VSN4T1G | ![]() |
25 nA | 5 nA | 1 mV | 500 uA | 850 ns | SMD/SMT | TSOP-5 | 1 Channel | Y | |
| TL331SN4T1G | ![]() |
400 nA | 150 nA | 9 mV | 20 mA | 500 uA | 850 ns | SMD/SMT | TSOP-5 | 1 Channel | Y |
| TL331SN4T3G | ![]() |
25 nA | 5 nA | 1 mV | 16 mA | 500 uA | 850 ns, 700 ns | SMD/SMT | TSOP-5 | 1 Channel | Y |
| TL331VSN4T3G | ![]() |
25 nA | 5 nA | 1 mV | 16 mA | 500 uA | 300 ns | SMD/SMT | TSOP-5 | 1 Channel | Y |
Publicado: 2024-07-30
| Actualizado: 2024-08-27

