onsemi NTH4L018N075SC1 N-Channel SiC MOSFET

onsemi NTH4L018N075SC1 N-Channel Silicon Carbide (SiC) MOSFET is a low ON resistance, 750V M2 EliteSiC MOSFET available in a compact TO247-4L package. This SiC MOSFET supports high-speed switching with low capacitance (Coss = 365pF), zero reverse recovery current of the body diode, and Kelvin source configuration. The NTH4L018N075SC1 SiC MOSFET features QG(tot) = 262nC ultra-low gate charge, -8V/+22V gate-to-source voltage, and 500W power dissipation. Typical applications include solar inverters, EV charging stations, energy storage systems, Uninterruptible Power Supplies (UPS), and Switch Mode Power Supplies (SMPS).

The NTH4L018N075SC1 SiC MOSFET provides high switching performance, high reliability, high efficiency, increased power density, reduced EMI, and reduced system size. This SiC MOSFET is 100% avalanche tested and operates at -55°C to 175°C temperature range. This N-channel SiC MOSFET is Halide-free, Pb-free 2LI, and RoHS compliant with exemption 7a.

Features

  • Drain-to-source on resistance:
    • 13.5mΩ @ VGS = 18V typical RDS(on) 
    • 18mΩ @ VGS = 15V typical RDS(on) 
  • Ultra-low gate charge (QG(tot) = 262nC)
  • High-speed switching with low capacitance (Coss = 365pF)
  • 750V drain-to-source voltage
  • Zero reverse recovery current of body diode
  • Kelvin Source configuration
  • -8/+22V gate-to-source voltage range
  • 100% avalanche tested
  • -55°C to 175°C operating junction and storage temperature range
  • Halide-free and RoHS compliant with exemption 7a
  • Pb-free 2LI (on second-level interconnection)

Applications

  • Solar inverters
  • Electric vehicle charging stations
  • Uninterruptable Power Supplies (UPS)
  • Energy storage systems
  • Switch Mode Power Supplies (SMPS)
  • Industrial

Schematic Diagram

Schematic - onsemi NTH4L018N075SC1 N-Channel SiC MOSFET

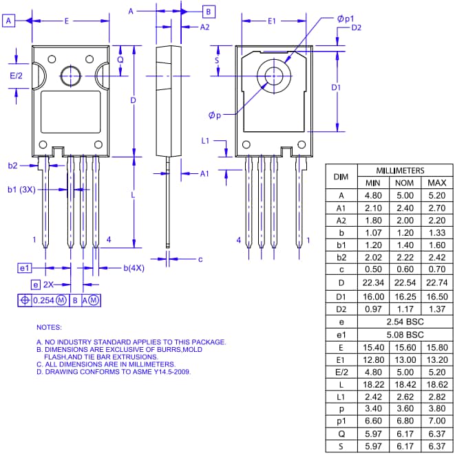
Dimension Diagram

Mechanical Drawing - onsemi NTH4L018N075SC1 N-Channel SiC MOSFET
Publicado: 2024-07-29 | Actualizado: 2024-08-22