onsemi NFAM3512L7B Intelligent Power Module (IPM)
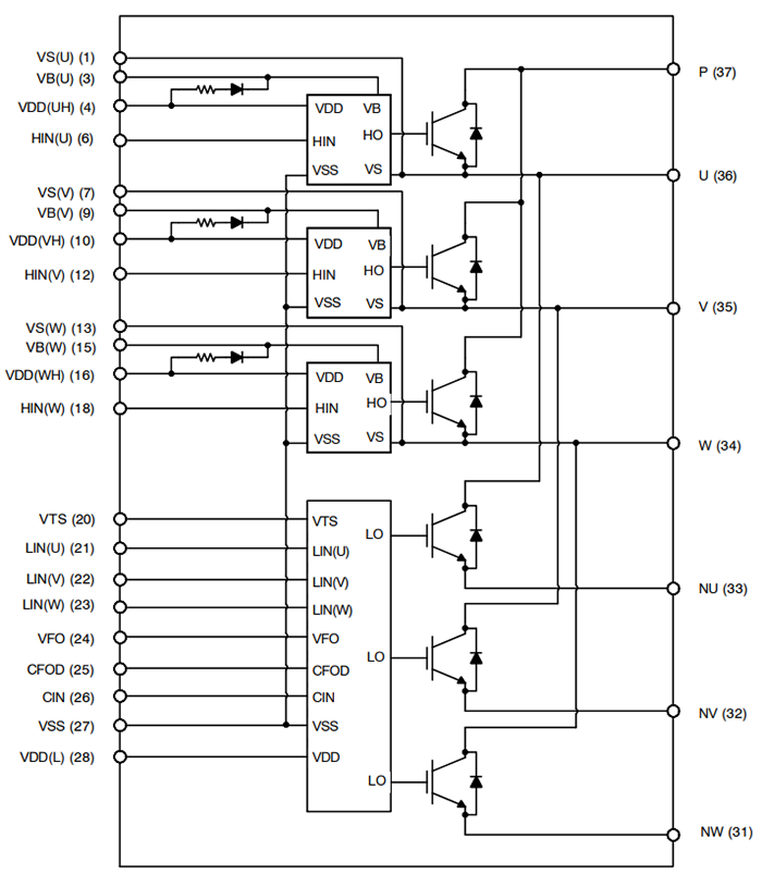
onsemi NFAM3512L7B Intelligent Power Module (IPM) provides a fully-featured, high-performance inverter output stage for AC induction, BLDC, and PMSM motors. This module integrates an optimized gate drive (of the built-in IGBTs) to minimize EMI and losses while providing multiple on-module protection features, including under-voltage lockouts, over-current shutdown, thermal monitoring of the drive IC, and fault reporting. A built-in, high-speed HVIC requires a single supply voltage and translates the incoming logic-level gate inputs to the high-voltage, high-current drive signals required to drive the module's internal IGBTs properly. Separate negative IGBT terminals are available for each phase to support various control algorithms.Features
- 1200V, 35A 3-phase FS7 IGBT inverter, including control ICs for gate drive and protections
- Very low thermal resistance using Al2O3 DBC substrate
- Active logic interface
- Built-in Under-Voltage Protection (UVP)
- Built-in bootstrap diodes/resistors
- Separate low-side IGBT emitter connections for individual current sensing of each phase
- Temperature sensor (TSU Output by LVIC)
- DIP39, 31.0mm x 54.5mm package
- E209204 UL certification
- Lead-free
Applications
- Industrial drives
- Industrial pumps
- Industrial fans
- Industrial automation
Specifications
- 600V typical supply voltage
- 13.5V to 16.5V control supply voltage range
- 13.0V to 18.5V high-side bias voltage range
- ±1V/µs control supply variation
- 2.0µs minimum blanking time for preventing arm-short
- 2.0kHz to 20kHz PWM input signal range
- 18.2ARMS to 27.5ARMS allowable current range
- 1.0µs to 2.0µs minimum input pulse width
- 0.6Nm to 0.9Nm package mounting torque, M3 type screw
- -40°C to +150°C operating junction temperature range
- Inverter
- 1mA to 10mA maximum collector-emitter leakage current
- 1.6V to 1.9V typical collector-emitter saturation voltage
- 1.7V to 1.8V typical forward voltage
- 0.17µs to 1.60µs high side switching time range
- 0.22µs to 1.70µs low side switching time range
- Bootstrap
- 2.1V to 2.9V diode forward current
- 12.5Ω to 18.5Ω built-in limiting resistance
- Control
- Maximum VDD supply current
- 0.3mA to 2.0mA quiescent
- 0.4mA to 5.0mA operating
- Maximum VBS supply current
- 0.3mA quiescent
- 3.5mA operating
- 2.6V maximum ON threshold voltage
- 0.8V minimum OFF threshold voltage
- 0.46V to 0.50V over current trip level
- Supply circuit under-voltage protection
- 10.0V to 12.5V detection level
- 10.5V to 13.0V reset level
- 1.12mV to 1.38mV voltage output for LVIC temperature sensing unit
- 0.95V to 4.9V fault output voltage
- 2.4ms typical fault-out pulse width
- Maximum VDD supply current
Internal Block Diagram
Additional Resources
Publicado: 2023-12-18
| Actualizado: 2025-06-16
