onsemi NCP81560 8+1 Phase Output Controllers

onsemi NCP81560 8+1 Phase Output Controllers are buck solutions designed for Intel's IMVP9.1 CPUs. The onsemi NCP81560 controllers feature a dual rail, multi-phase rail control system using Dual-Edge PWM and DCR current sensing for quick response to dynamic load events and cost savings. The amplifier has an ultra-low offset for accurate current monitoring, with programmable offset compensation.

Features

  • High impedance differential output voltage amplifier
  • Differential current sense amplifiers for each phase
  • Programmable Adaptive Voltage Positioning (AVP)
  • Digitally stabilized switching frequency
  • Typical applications include computers

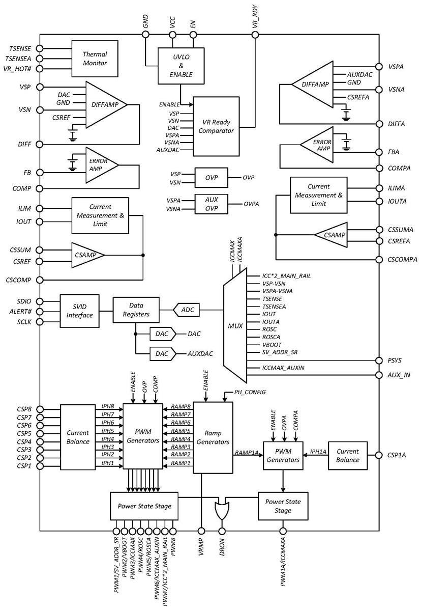
Block Diagram

Block Diagram - onsemi NCP81560 8+1 Phase Output Controllers
Publicado: 2024-02-14 | Actualizado: 2024-05-02