onsemi NCP1616 Power Factor Correction Controller

onsemi NCP1616 Power Factor Correction Controller is a high voltage PFC Controller designed to drive boost stages based on an innovative Current Controlled Frequency Foldback (CCFF) method. In this mode, the NCP1616 operates in critical conduction mode (CrM) when the inductor current exceeds a programmable value. When the current is below this preset level, the NCP1616 linearly decays the frequency down to a minimum of about 26kHz at the sinusoidal zero-crossing. CCFF maximizes the efficiency at both nominal and light loads. Innovative circuitry allows near-unity power factor even when the switching frequency is reduced. The integrated high-voltage start-up circuit eliminates the need for external start-up components and consumes negligible power during normal operation. 

The NCP1616 PFC Controller integrates a wide range of protection features including bulk overvoltage/undervoltage protection, brownout dectection, thermal shutdown, and line overvoltage detection. Housed in a SOIC-9 package, the NCP1616 incorporates the features necessary for robust and compact PFC stages, with few external components.

Features

  • High voltage start-up circuit with integrated brownout detection
  • Input to force controller into standby mode
  • Skip mode near the line zero crossing
  • Fast line/load transient compensation
  • Valley switching for improved efficiency
  • High -500mA/+800mA drive capability
  • Wide VCC range from 9.5V to 28.0V
  • Input voltage range detection
  • Input X2 capacitor discharge circuitry
  • SOIC-9 package type
  • Pb-free and Halogen-free
  • Safety
    • Soft overvoltage protection
    • Line overvoltage protection
    • Overcurrent protection
    • Open pin protection for FB and STDBY/FAULT pins
    • Internal thermal shutdown
    • Latch input for OVP
    • Bypass/boost diode short circuit protection
    • Open ground pin protection

Applications

  • PC power supplies
  • Off-line appliances requiring Power Factor Correction (PFC)
  • LED drivers
  • LCD displays

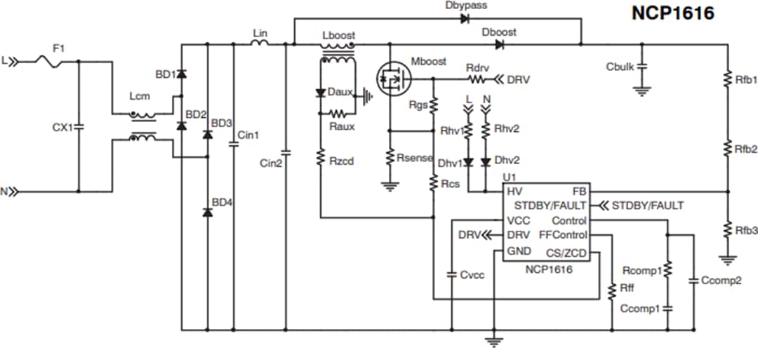
Typical Application Circuit

Application Circuit Diagram - onsemi NCP1616 Power Factor Correction Controller

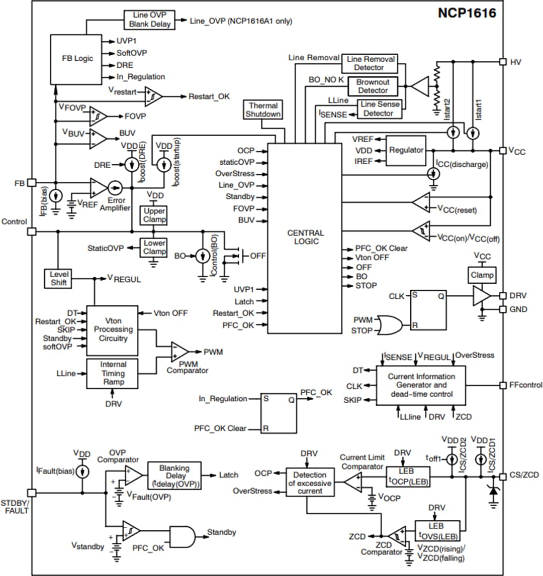
Block Diagram

Block Diagram - onsemi NCP1616 Power Factor Correction Controller
Publicado: 2019-03-01 | Actualizado: 2025-03-04