onsemi / Fairchild FOD8314 Gate Drive Optocouplers

onsemi / Fairchild FOD8314 Gate Drive Optocouplers are 1.0A output current gate drive optocouplers capable of driving medium-power IGBT/MOSFETs. They're ideally suited for fast-switching driving of power IGBTs and MOSFETs used in motor-control inverter applications and high-performance power systems. The FOD8314 series utilizes a stretched body package to achieve 8mm creepage and clearance distances (FOD8314T).

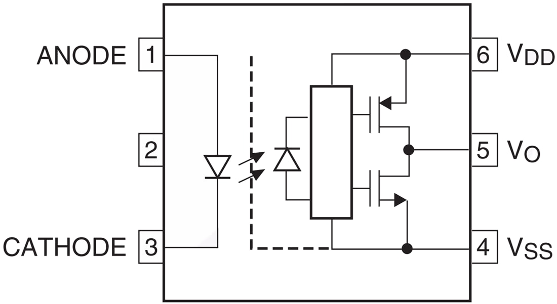
The onsemi / Fairchild FOD8314 series has an optimized IC design that achieves reliable high-insulation voltage and high-noise immunity. They consist of an Aluminum Gallium Arsenide (AlGaAs) Light-Emitting Diode (LED) optically coupled to an integrated circuit with a high-speed driver for the push-pull MOSFET output stage.

The device is housed in a stretched body, 6-pin, small outline, plastic package.

Features

  • FOD8314T - 8mm creepage and clearance distance, and 0.4mm insulation distance to achieve reliable and high-voltage insulation
  • 1.0A output current driving capability for medium-power IGBT/MOSFET
    • Use of P-channel MOSFETs at output stage enables output voltage swing close to supply rail
  • 20kV/μs minimum common mode rejection
  • 15V to 30V wide supply voltage range 
  • Under-Voltage Lockout (UVLO) with hysteresis
  • Fast switching speed over full operating temperature range
    • 500ns maximum propagation delay
    • 300ns maximum pulse width distortion
  • -40°C to 100°C extended industrial temperate range 
  • Safety and regulatory approvals
    • UL1577, 5,000 VRMS for 1 minute,
    • DIN EN/IEC60747-5-5, 1, 140V peak working insulation voltage

Applications

  • AC and brushless DC motor drives
  • Industrial inverter
  • Uninterruptible power supply
  • Induction heating
  • Isolated IGBT power MOSFET gate driver

Functional Schematic

Schematic - onsemi / Fairchild FOD8314 Gate Drive Optocouplers
Publicado: 2015-09-29 | Actualizado: 2022-03-11