Monolithic Power Systems (MPS) EVM4730-PQ-00A Evaluation Board

Monolithic Power Systems (MPS) EVM4730-PQ-00A Evaluation Board is designed to demonstrate the capabilities of the MPM4730 integrated buck-boost module. This evaluation board features a 2.8V to 22V operating input voltage range, 15V regulated output voltage (VOUT), and 1A maximum output current. The EVM4730-PQ-00A evaluation board provides a selectable switching frequency (fSW) and configurable Soft Start (SS) in 5.1cm x 5.1cm x 1.6mm dimensions. This board comes with protection features such as Over-Current Protection (OCP), Over-Voltage Protection (OVP), Under-Voltage Protection (UVP), and thermal shutdown.  

Features

  • Evaluates MPM4730 buck-boost modules
  • 2.8V to 22V operating input voltage range
  • 0.08V to 1.637V reference Voltage (VREF) range with 0.8mV resolution via the I2C (default 1V VREF)
  • 1A maximum output current (IOUT)
  • Output Over-Voltage Protection (OVP) and Short-Circuit Protection (SCP) with hiccup mode
  • Over-Temperature Warning (OTW) and shutdown
  • 500kHz selectable switching frequency (fSW)

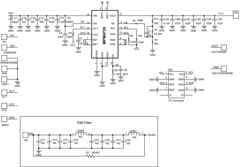
Schematic

Schematic - Monolithic Power Systems (MPS) EVM4730-PQ-00A Evaluation Board
Publicado: 2024-06-24 | Actualizado: 2024-06-28