Monolithic Power Systems (MPS) EVM3860-QW-00A Evaluation Board
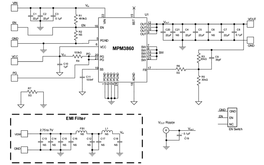
Monolithic Power Systems (MPS) EVM3860-QW-00A Evaluation Board is designed to demonstrate the capabilities of the MPM3860, a fully integrated, high-frequency, synchronous, rectified, step-down power module with an internal inductor. The MPM3860 offers a compact solution to achieve 6A continuous output current across a wide input range, with excellent load/line regulation. In a QFN-24 (4mm x 6mm) package, the MPM3860 features synchronous mode operation for higher efficiency over the output current load range.The MPS EVM3860-QW-00A evaluation board provides Constant-on-Time (COT) control operation for fast transient responses, easy loop design, and tight output regulation. Full protection features include short-circuit (SCP), over-current (OCP), under-voltage (UVP), and thermal shutdown.
Features
- Wide 2.75V to 7V operating input range
- 6A output current
- 100μA quiescent current
- FCCM for low VOUT ripple
- Output adjustable from 0.6V
- High-efficiency synchronous mode operation
- Pre-biased start-up
- Fixed 1200kHz switching frequency
- Externally programmable soft-start time
- EN and Power Good for power sequencing
- Over-current protection, hiccup mode, and thermal shutdown
- MPM3860 available in a QFN-24 (4mm x 6mm x 1.6mm) package
- 63.5mm x 63.5mm x 1.6mm (LxWxH) board size
Applications
- FPGA power systems
- Optical modules
Schematic
Publicado: 2025-01-06
| Actualizado: 2025-01-21
