Monolithic Power Systems (MPS) EV6550-G-00A Evaluation Board

Monolithic Power Systems (MPS) EV6550-G-00A Evaluation Board is designed to evaluate MP6550 H-bridge inverters with a pulse width modulation (PWM) input interface. The MP6550 motor driver consists of four N-channel power MOSFETs and an internal charge pump to generate gate-drive voltages. This MPS EV6550-G-00A board operates at a 1.8V to 22V supply voltage range and is available in the QFN2X2-12 package with a 6.35cm x 6.35cm x 1cm dimension. Typical applications include robotics, cameras, toys, medical devices, consumer products, and solenoid drivers.

Features

  • Short-circuit protection
  • Thermal shutdown protection
  • Low standby circuit current
  • Evaluates MP6550 inverters
  • QFN 2X2-12 package

Applications

  • Solenoid drivers
  • DC brush motor drives
  • Robotics
  • Cameras
  • Toys
  • Medical devices
  • Consumer products

Specifications

  • 1.8V to 22V input voltage range
  • 2A output current
  • 6.35cm x 6.35cm x 1cm dimensions
  • -40°C to 125°C operating temperature range

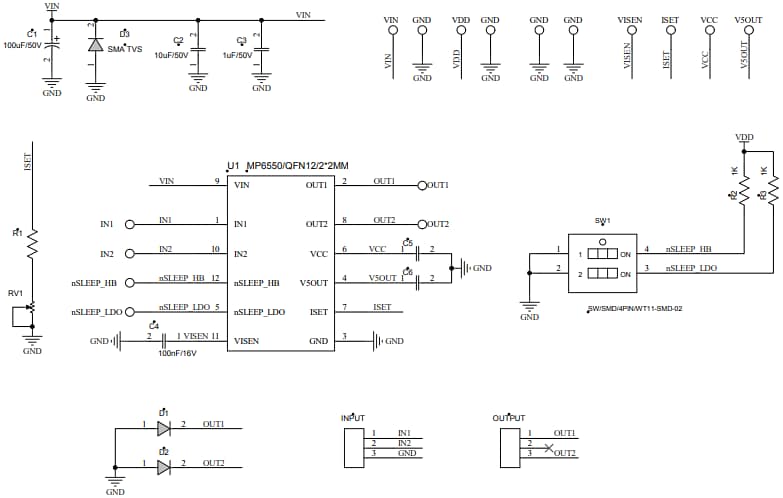
Schematic

Schematic - Monolithic Power Systems (MPS) EV6550-G-00A Evaluation Board
Publicado: 2020-08-04 | Actualizado: 2024-09-09