Monolithic Power Systems (MPS) EV1909-TL-00A Evaluation Board
Monolithic Power Systems (MPS) EV1909-TL-00A Evaluation Board is designed to evaluate and demonstrate the MP1909, a half-bridge N-channel power MOSFET gate driver. This evaluation board features a 4.5V to 12V driver voltage range, up to 50V Bootstrap (BST) voltage, up to 2.2MHz switching frequency, and low quiescent current. The EV1909-TL-00A evaluation board supports up to 100% duty cycles and Under-Voltage Lockout (UVLO) protection for both the High-Side (HS) and Low-Side (LS) driver channels. This evaluation board is available in SOT583-8 (1.6mm x 2.1mm) package. Typical applications include wireless charging, e-cigarettes, drones, avionics DC/DC converters, and active-clamp forward converters.Features
- 4.5V to 12V driver voltage range (VCC)
- 0V to 30V input voltage range
- Up to 50V Bootstrap (BST) voltage
- Up to 2.2MHz switching frequency (fSW)
- Under-Voltage Lockout (UVLO) protection for both the High-Side (HS) and Low-Side (LS) driver channels
- One Pulse-Width Modulation (PWM) signal generates both drive signals
- Low quiescent current (IQ)
- Integrated BST diode
- Supports up to 100% duty cycles
- Available in a SOT583-8 (1.6mm x 2.1mm) package
Applications
- Wireless charging
- E-Cigarettes
- Drones
- Avionics DC/DC converters
- Active-clamp forward converters
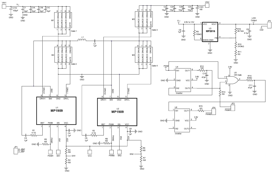
Schematic Diagram
Publicado: 2023-05-31
| Actualizado: 2023-06-20
