Mikroe LDC1101 (MIKROE-3240) Click

Mikroe MIKROE-3240 LDC1101 Click is an inductance-to-digital converter Click Board designed for a range of different applications, based on the inductivity measurements. It can be used to detect the position, rotation, or motion of an object. Mikroe LDC1101 includes an integrated, high-resolution, high-speed, inductance-to-digital converter. The converter allows the inductance and the impedance to be measured. The fast impedance + inductance (RP+L) mode offers separate 16-bit readings for both parameters. The high-resolution inductance (LHR) mode offers a single reading with a resolution of 24 bits.

Features

  • Two independent cores, one that outputs 16-bit inductance and impedance data and the other that outputs 24-bit inductance data
  • Wide operating frequency range allows many kinds of objects to be sensed
  • Reliable sensing even in harsh environments
  • Shutdown mode and sleep mode low-power modes
  • SPI interface
  • 3.3V input voltage

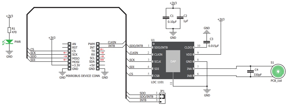
Schematic

Schematic - Mikroe LDC1101 (MIKROE-3240) Click

Overview

Block Diagram - Mikroe LDC1101 (MIKROE-3240) Click
Publicado: 2018-12-20 | Actualizado: 2022-08-08