Microchip Technology EV32R56A Reference Design

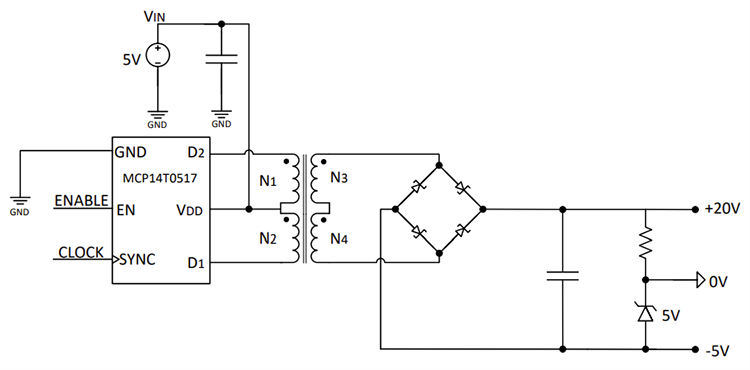
Microchip Technology EV32R56A Reference Design is an isolated bias generator for Silicon-Carbide (SiC) gate drivers based on the MCP14T0517B push-pull transformer driver. The driver operates at 5V input voltage. The board provides a galvanically isolated and regulated bias voltage of +20V with respect to 0V, and -5V with respect to 0V at up to 100mA of current. The Microchip board features a configurable ENABLE pin for external control and synchronization. The MCP14T0517A/B drivers are designed for small form factor isolated power supply applications with a switching frequency of 150kHz for MCP14T0517A and 450kHz for MCP14T0517B. MCP14T0517A/B allows synchronization with multiple devices and operation at higher frequencies by applying an external clock of up to 1000kHz.

Features

  • Based on the MCP14T0517B push-pull transformer driver
  • 5V input voltage (VIN)
  • Output voltages
    • +20V with respect to 0V
    • -5V with respect to 0V
  • Up to 100mA output current (for the output voltage of +25V with respect to -5V)
  • 450kHz switching frequency
  • Overtemperature and overcurrent protections
  • RoHS-compliant

Applications

  • Isolated power supplies for SiC/Si MOSFETs and IGBTs
  • Bias generators for isolated communication interfaces (CAN, LIN, USB, etc.)
  • Bias generators for isolated sensing circuitry

Kit Contents

  • Isolated bias generator for SiC gate drivers reference design PCB (EV32R56A)
  • Two 3-pin 2.54mm header connectors for input and output signals
  • Important information sheet

Block Diagram

Block Diagram - Microchip Technology EV32R56A Reference Design

Overview

Mechanical Drawing - Microchip Technology EV32R56A Reference Design
Publicado: 2026-01-20 | Actualizado: 2026-02-02