Micro Commercial Components (MCC) MIF400R065C2TL 650V/400A IGBT Module
Micro Commercial Components (MCC) MIF400R065C2TL 650V/400A IGBT Module is a two-in-one module that combines dual IGBT devices and rugged performance in a C2 package. The module features 650V capability, low VCE(sat), IGBT trench technology, a 400A current rating, and an ultra-fast, soft recovery anti-parallel rectifier. The device withstands junction temperatures up to +175°C with a high short-circuit capability of 6µs. MIF400R065C2TL ensures low switching losses and low inductance while maximizing efficiency. The IGBT module delivers exceptional reliability in high-power applications, including motor controls, uninterruptible power supplies, welding equipment, and other power-intensive applications.Features
- Low VCE(sat) with Trench technology
- Low switching losses
- VCE(sat) with positive temperature coefficient
- High short circuit capability (6µs)
- Includes ultra-fast and soft recovery anti-parallel forward diode (FWD)
- Low inductance
- +175℃ maximum junction temperature
- Epoxy meets UL 94V-0 flammability rating
- C2 package
- Lead-free finish and RoHS-compliant
Applications
- Motion/servo control
- Industrial motor drives
- HVAC systems
- High-frequency switching applications
- Renewable energy systems
- Solar inverters
- Wind turbine converters
- Energy storage systems (ESS)
- Uninterruptible Power Supplies (UPS)
- Data centers
- Telecommunications systems
- Emergency power backup
- Welding machines
- Plasma cutting equipment
Specifications
- 650V collector-emitter voltage
- 400A continuous collector current
- 800A repetitive peak collector current
- ±20V gate-emitter voltage
- 2500V minimum isolation voltage
- 1250W total power dissipation
- -40°C to +150°C operating junction temperature range
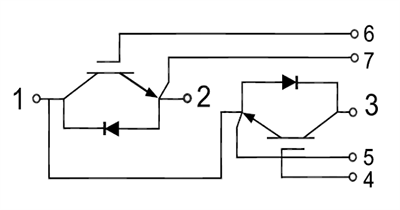
Circuit Diagram
Resources
Publicado: 2024-05-01
| Actualizado: 2024-05-13
