MACOM MASW Series RF Switches

MACOM's MASW series RF switches provide a broad frequency spectrum from DC to greater than 70GHz. MACOM's MASW switches are offered with silicon HMIC, AlGaAs, pHEMT, and MESFET technologies. MACOM also offers 75Ω switches. The HMIC PIN diode process is ideal for high power and broadband switches operating up to 20GHz. The AlGaAs PIN diode switches have an upper-frequency range of 70GHz and beyond. GaAs pHEMT and MESFET technology are used in MASW fast switching and low control voltage switches optimized for both narrowband and broadband applications. The 75Ω absorptive switches are designed specifically for demanding CATV, FTTx and DBS Infrastructure, and CPE applications. MASW series RF switches are ideal for applications used in the commercial, aerospace, and defense markets.

Features

  • WiMAX, High Power LTE, Military radio applications, and Broadband performance
  • Low insertion loss
  • High isolation
  • Fast switching speed
  • Halogen-Free "Green" mold compound
  • Ultra-low DC power consumption
  • Available in different packages
  • RoHS Compliant

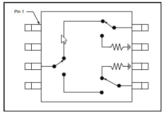
Schematic

Schematic - MACOM MASW Series RF Switches
Publicado: 2011-05-24 | Actualizado: 2022-03-11