MACOM CMPA2735075F1-AMP Demonstration Amplifier Circuit

MACOM CMPA2735075F1-AMP Demonstration Amplifier Circuit offers a test board with a CMPA2735075F gallium nitride (GaN) monolithic microwave integrated circuits (MMIC) in a 0.5" square screw-down package. The MMIC contains a two-stage, reactively matched amplifier design that achieves wide bandwidths. The CMPA2735075F provides a 75W peak output power, a 28V operating voltage, and a frequency range of 2.7GHz to 3.5GHz. MACOM CMPA2735075F1-AMP Demonstration Amplifier Circuit has a 28V operating voltage and a frequency range of 2.7GHz to 3.5GHz.

Features

  • Test board with a CMPA2735075F GaN MMIC
  • 28V operating voltage
  • 2.7GHz to 3.5GHz frequency range
  • 0.5" square screw-down package

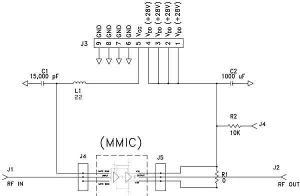
Schematic

Schematic - MACOM CMPA2735075F1-AMP Demonstration Amplifier Circuit
Publicado: 2019-05-07 | Actualizado: 2024-01-22